Toro 38605 (522) - 522 Power Throw Snowthrower, 2007 (270000001-270004504) ELECTRIC STARTER NO. 33290E TECUMSEH LH195SA - 67435V Ersatzteile
ELECTRIC STARTER NO. 33290E TECUMSEH LH195SA - 67435V 38605 (522) - Toro 522 Power Throw Snowthrower, 2007 (270000001-270004504)

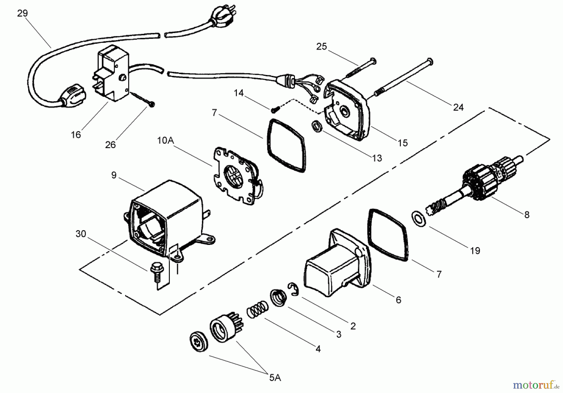
Hier finden Sie die Ersatzteilzeichnung für Toro Neu Snow Blowers/Snow Throwers Seite 2 38605 (522) - Toro 522 Power Throw Snowthrower, 2007 (270000001-270004504) ELECTRIC STARTER NO. 33290E TECUMSEH LH195SA - 67435V. Wählen Sie das benötigte Ersatzteil aus der Ersatzteilliste Ihres Toro Gerätes aus und bestellen Sie einfach online. Viele Toro Ersatzteile halten wir ständig in unserem Lager für Sie bereit.
| BildNr | Artikel Nummer | Bezeichnung | |
| 0 | TC33290E | ELEKTROSTARTER | |
| 2 | TC31749 | SICHERUNGSRING | |
| 3 | TC33522 | SICHERUNGSRING | |
| 4 | TC33769 | FEDER | |
| 5A | TC37332 | ZAHNRADSATZ | |
| 6 | TC35461 | KAPPE | |
| 7 | TC35450 | O-RING | |
| 8 | TC35912 | ARMATURE | |
| 10A | TC35452A | BUERSTENHALTER | |
| 13 | TC590500 | WASHER | |
| 14 | TC33441 | SCHRAUBE | |
| 15 | TC35453 | END CAP | |
| 16 | TC35454 | SCHALTER | |
| 19 | TC35911 | SCHEIBE | |
| 24 | TC35462 | SCHRAUBE | |
| 25 | TC35456 | SCHRAUBE | |
| 26 | TC650819 | SCHRAUBE | |
| 26 | TC651032 | SCHRAUBE | |
| 29 | TC32450B | ELEKTRO-LEITUNG | |
| 30 | TC650759 | SCHRAUBE | |



