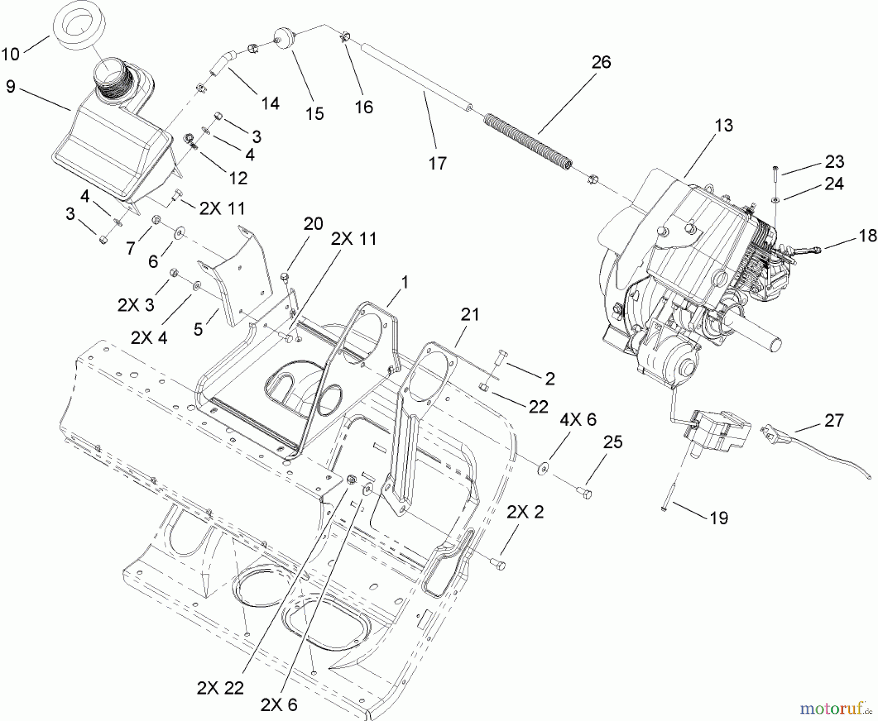
Toro 38602 - Snow Commander Snowthrower, 2008 (280000001-280999999) ENGINE AND FRAME ASSEMBLY Ersatzteile
ENGINE AND FRAME ASSEMBLY 38602 - Toro Snow Commander Snowthrower, 2008 (280000001-280999999)

Hier finden Sie die Ersatzteilzeichnung für Toro Neu Snow Blowers/Snow Throwers Seite 2 38602 - Toro Snow Commander Snowthrower, 2008 (280000001-280999999) ENGINE AND FRAME ASSEMBLY. Wählen Sie das benötigte Ersatzteil aus der Ersatzteilliste Ihres Toro Gerätes aus und bestellen Sie einfach online. Viele Toro Ersatzteile halten wir ständig in unserem Lager für Sie bereit.


Qualitätsmanagement
Informieren Sie uns, wenn Sie einen Fehler gefunden haben.





