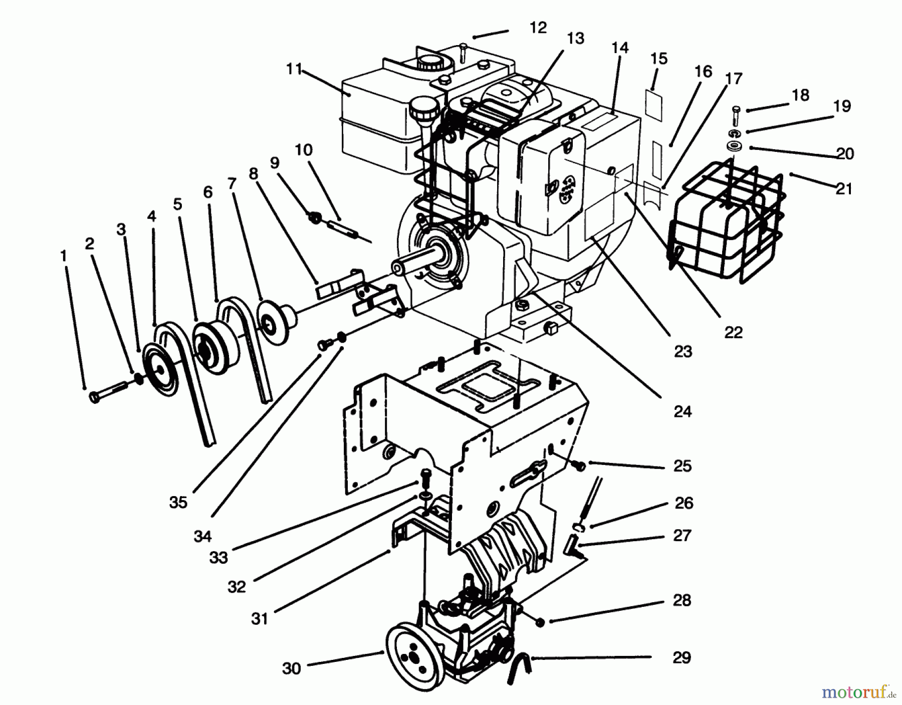
Toro 38591 (1232) - 1232 Power Shift Snowthrower, 1996 (6900001-6999999) ENGINE, TRANSMISSION DRIVE ASM Ersatzteile
ENGINE, TRANSMISSION DRIVE ASM 38591 (1232) - Toro 1232 Power Shift Snowthrower, 1996 (6900001-6999999)

Hier finden Sie die Ersatzteilzeichnung für Toro Neu Snow Blowers/Snow Throwers Seite 1 38591 (1232) - Toro 1232 Power Shift Snowthrower, 1996 (6900001-6999999) ENGINE, TRANSMISSION DRIVE ASM. Wählen Sie das benötigte Ersatzteil aus der Ersatzteilliste Ihres Toro Gerätes aus und bestellen Sie einfach online. Viele Toro Ersatzteile halten wir ständig in unserem Lager für Sie bereit.


Qualitätsmanagement
Informieren Sie uns, wenn Sie einen Fehler gefunden haben.



