Toro 38580 (1132) - 1132 Power Shift Snowthrower, 1990 (0000001-0999999) ENGINE BRIGGS & STRATTON MODEL 252416 TYPE 0756-01 & 0757-01 (MODEL NO. 38580 & 38566) #2 Ersatzteile
ENGINE BRIGGS & STRATTON MODEL 252416 TYPE 0756-01 & 0757-01 (MODEL NO. 38580 & 38566) #2 38580 (1132) - Toro 1132 Power Shift Snowthrower, 1990 (0000001-0999999)

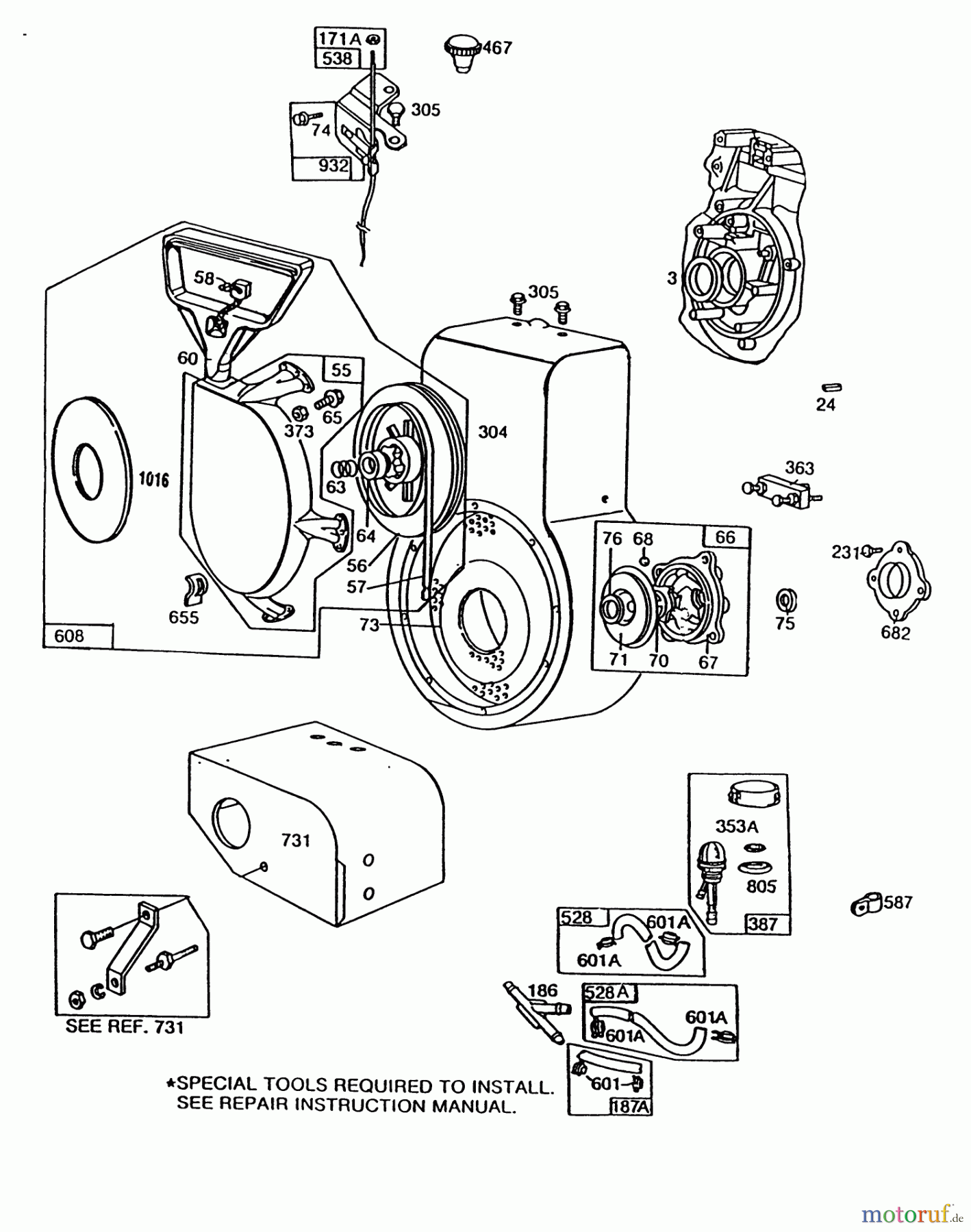
Hier finden Sie die Ersatzteilzeichnung für Toro Neu Snow Blowers/Snow Throwers Seite 1 38580 (1132) - Toro 1132 Power Shift Snowthrower, 1990 (0000001-0999999) ENGINE BRIGGS & STRATTON MODEL 252416 TYPE 0756-01 & 0757-01 (MODEL NO. 38580 & 38566) #2. Wählen Sie das benötigte Ersatzteil aus der Ersatzteilliste Ihres Toro Gerätes aus und bestellen Sie einfach online. Viele Toro Ersatzteile halten wir ständig in unserem Lager für Sie bereit.


Qualitätsmanagement
Informieren Sie uns, wenn Sie einen Fehler gefunden haben.

