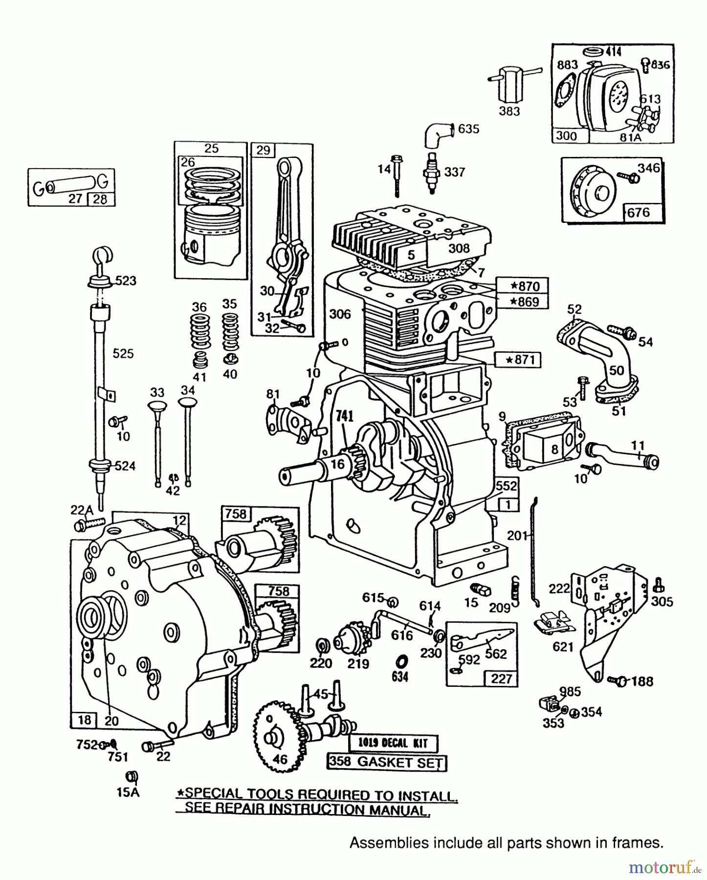
Toro 38580 (1132) - 1132 Power Shift Snowthrower, 1989 (9000001-9999999) ENGINE BRIGGS & STRATTON MODEL 252416 TYPE 0756-01 & 0757-01 (MODEL NO. 38580 & 38565) #1 Ersatzteile
ENGINE BRIGGS & STRATTON MODEL 252416 TYPE 0756-01 & 0757-01 (MODEL NO. 38580 & 38565) #1 38580 (1132) - Toro 1132 Power Shift Snowthrower, 1989 (9000001-9999999)

Hier finden Sie die Ersatzteilzeichnung für Toro Neu Snow Blowers/Snow Throwers Seite 1 38580 (1132) - Toro 1132 Power Shift Snowthrower, 1989 (9000001-9999999) ENGINE BRIGGS & STRATTON MODEL 252416 TYPE 0756-01 & 0757-01 (MODEL NO. 38580 & 38565) #1. Wählen Sie das benötigte Ersatzteil aus der Ersatzteilliste Ihres Toro Gerätes aus und bestellen Sie einfach online. Viele Toro Ersatzteile halten wir ständig in unserem Lager für Sie bereit.



