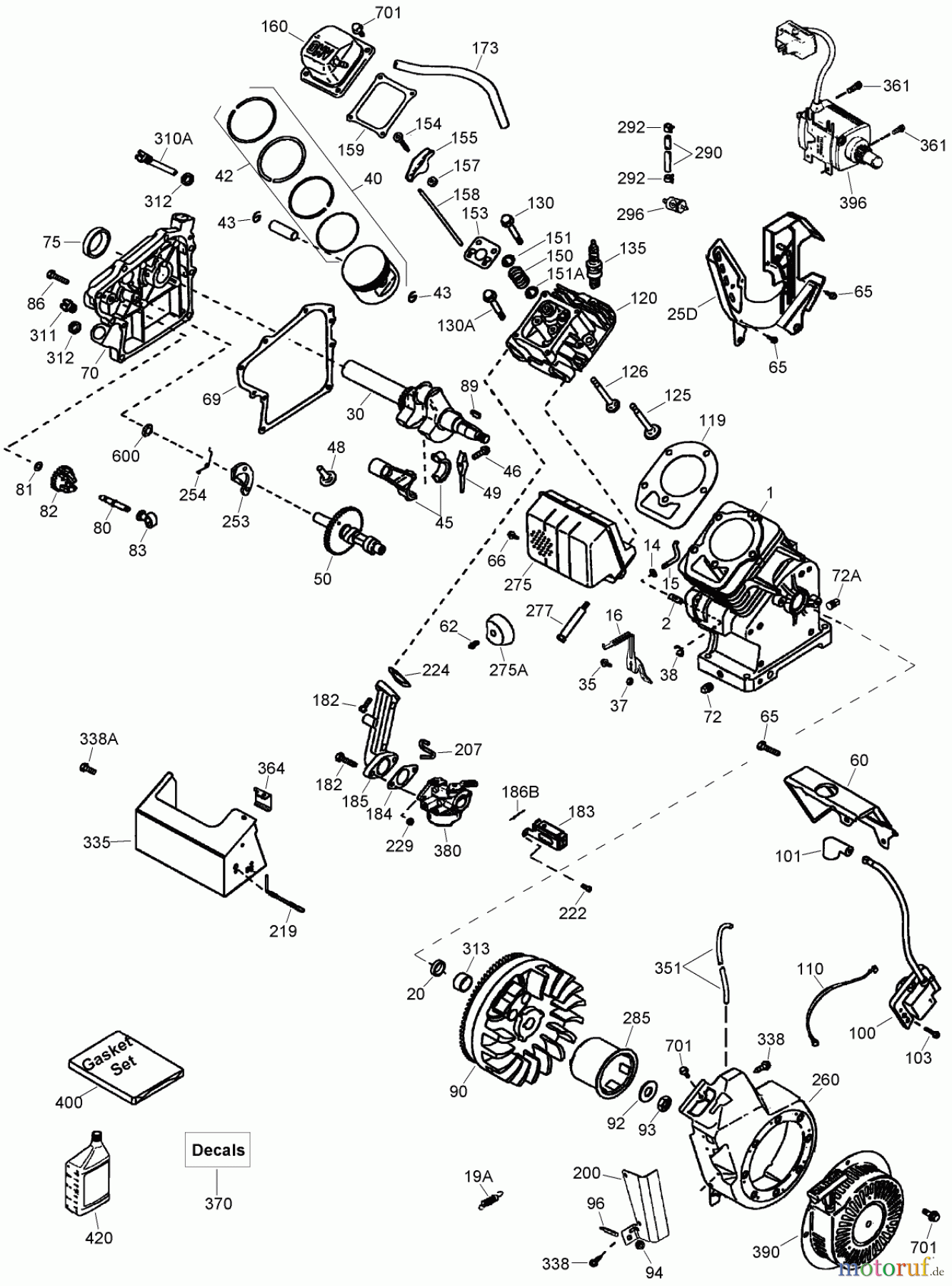
Toro 38577 (6053) - CCR 6053 Quick Clear Snowthrower, 2008 (280000001-280999999) ENGINE ASSEMBLY NO. 2 TECUMSEH OH195SA-72568G Ersatzteile
ENGINE ASSEMBLY NO. 2 TECUMSEH OH195SA-72568G 38577 (6053) - Toro CCR 6053 Quick Clear Snowthrower, 2008 (280000001-280999999)

Hier finden Sie die Ersatzteilzeichnung für Toro Neu Snow Blowers/Snow Throwers Seite 1 38577 (6053) - Toro CCR 6053 Quick Clear Snowthrower, 2008 (280000001-280999999) ENGINE ASSEMBLY NO. 2 TECUMSEH OH195SA-72568G. Wählen Sie das benötigte Ersatzteil aus der Ersatzteilliste Ihres Toro Gerätes aus und bestellen Sie einfach online. Viele Toro Ersatzteile halten wir ständig in unserem Lager für Sie bereit.





