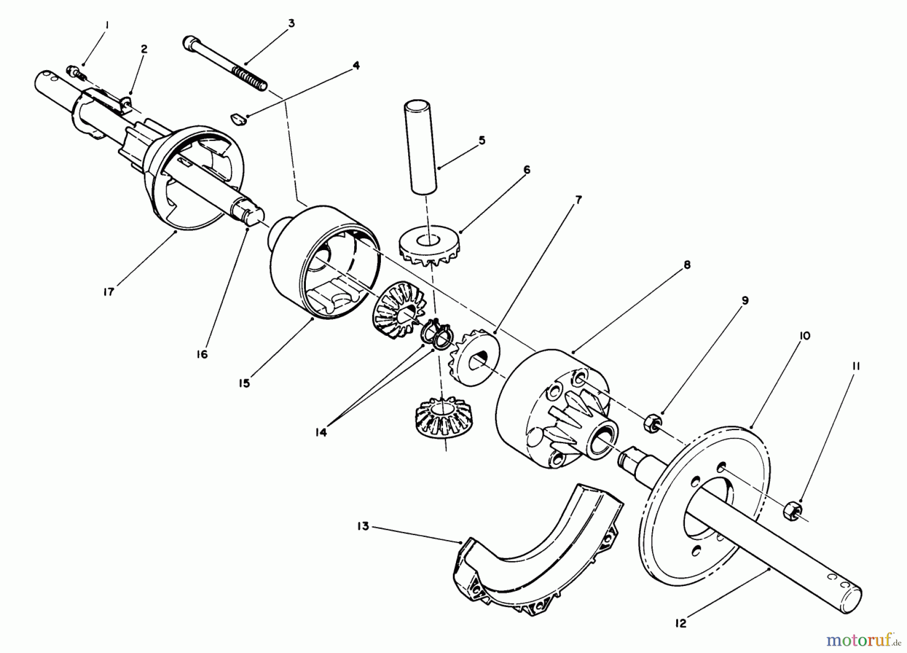
Toro 38574 (828) - 828 Power Shift Snowthrower, 1992 (2000001-2999999) DIFFERENTIAL KIT MODEL NO. 38038 (OPTIONAL) Ersatzteile
DIFFERENTIAL KIT MODEL NO. 38038 (OPTIONAL) 38574 (828) - Toro 828 Power Shift Snowthrower, 1992 (2000001-2999999)

Hier finden Sie die Ersatzteilzeichnung für Toro Neu Snow Blowers/Snow Throwers Seite 1 38574 (828) - Toro 828 Power Shift Snowthrower, 1992 (2000001-2999999) DIFFERENTIAL KIT MODEL NO. 38038 (OPTIONAL). Wählen Sie das benötigte Ersatzteil aus der Ersatzteilliste Ihres Toro Gerätes aus und bestellen Sie einfach online. Viele Toro Ersatzteile halten wir ständig in unserem Lager für Sie bereit.



