Einstellungen Computer

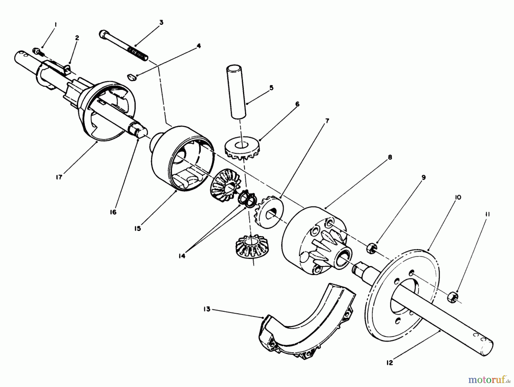
Toro 38574 (828) - 828 Power Shift Snowthrower, 1991 (1000001-1999999) DIFFERENTIAL KIT MODEL NO. 38038 (OPTIONAL) Ersatzteile

DIFFERENTIAL KIT MODEL NO. 38038 (OPTIONAL) 38574 (828) - Toro 828 Power Shift Snowthrower, 1991 (1000001-1999999)

 Toro Neu Snow Blowers/Snow Throwers Seite 1 38574 (828) - Toro 828 Power Shift Snowthrower, 1991 (1000001-1999999) DIFFERENTIAL KIT MODEL NO. 38038 (OPTIONAL)

Hier finden Sie die Ersatzteilzeichnung für Toro Neu Snow Blowers/Snow Throwers Seite 1 38574 (828) - Toro 828 Power Shift Snowthrower, 1991 (1000001-1999999) DIFFERENTIAL KIT MODEL NO. 38038 (OPTIONAL). Wählen Sie das benötigte Ersatzteil aus der Ersatzteilliste Ihres Toro Gerätes aus und bestellen Sie einfach online. Viele Toro Ersatzteile halten wir ständig in unserem Lager für Sie bereit.

Rasen
Bankeinzug, MasterCard, Visa, American Express, PayPal, Nachnahme, Vorauskasse, Sofortüberweisung
Datenschutzerklärung Impressum
Qualitätsmanagement
Informieren Sie uns, wenn Sie einen Fehler gefunden haben.