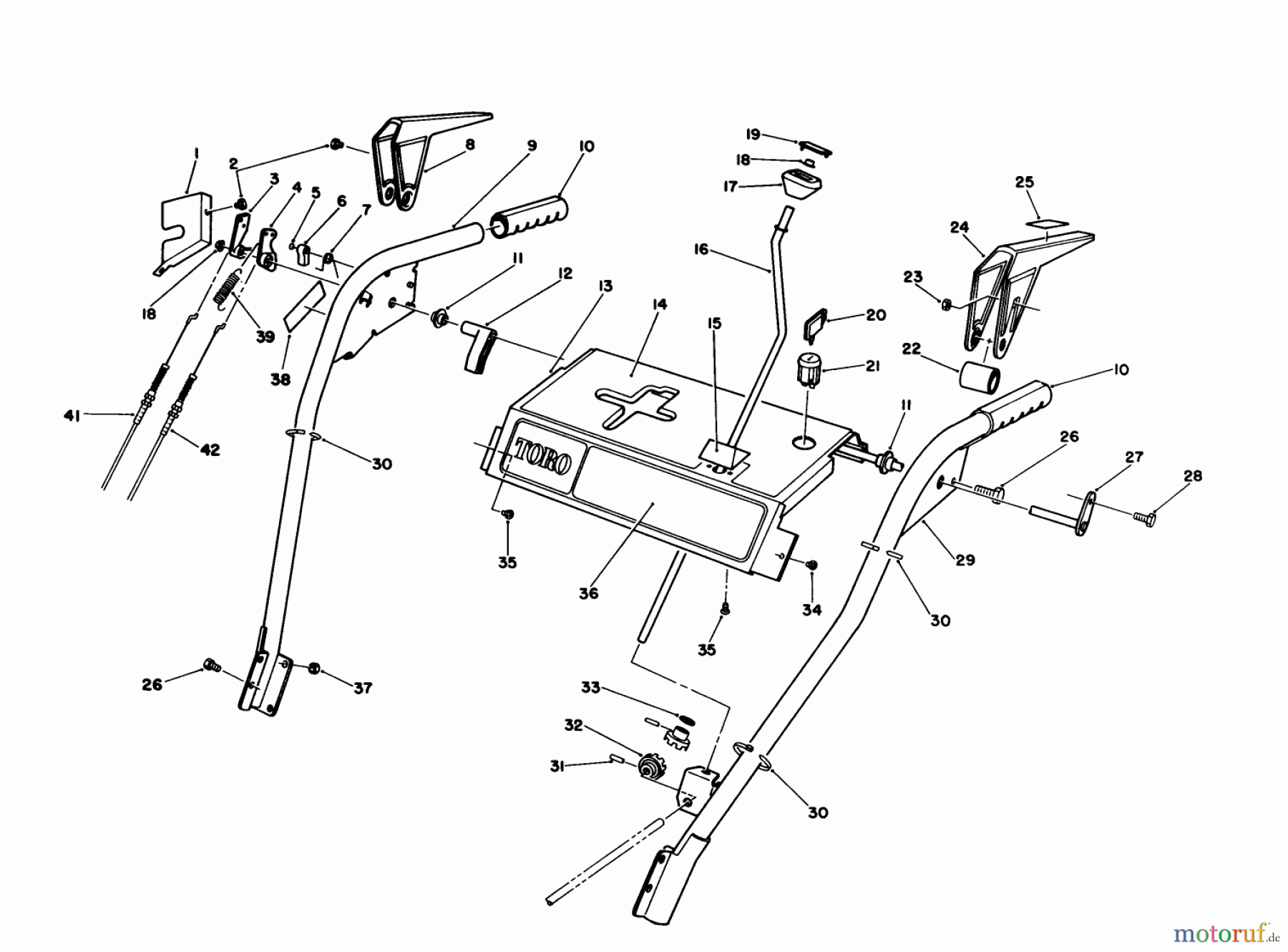
Toro 38573 (828) - 828 Power Shift Snowthrower, 1989 (9000001-9999999) HANDLE ASSEMBLY Ersatzteile
HANDLE ASSEMBLY 38573 (828) - Toro 828 Power Shift Snowthrower, 1989 (9000001-9999999)

Hier finden Sie die Ersatzteilzeichnung für Toro Neu Snow Blowers/Snow Throwers Seite 1 38573 (828) - Toro 828 Power Shift Snowthrower, 1989 (9000001-9999999) HANDLE ASSEMBLY. Wählen Sie das benötigte Ersatzteil aus der Ersatzteilliste Ihres Toro Gerätes aus und bestellen Sie einfach online. Viele Toro Ersatzteile halten wir ständig in unserem Lager für Sie bereit.





