Toro 38565 (1132) - 1132 Power Shift Snowthrower, 1988 (8000001-8999999) ENGINE BRIGGS & STRATTON MODEL NO. 252416 TYPE 0749-01 (MODEL 38565) #2 Ersatzteile
ENGINE BRIGGS & STRATTON MODEL NO. 252416 TYPE 0749-01 (MODEL 38565) #2 38565 (1132) - Toro 1132 Power Shift Snowthrower, 1988 (8000001-8999999)

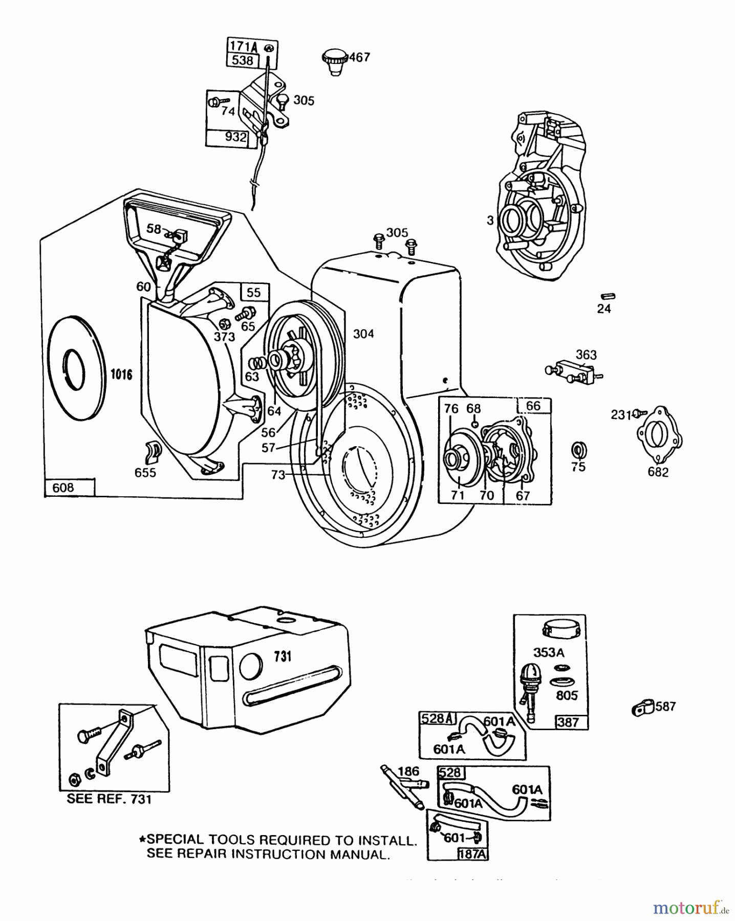
Hier finden Sie die Ersatzteilzeichnung für Toro Neu Snow Blowers/Snow Throwers Seite 1 38565 (1132) - Toro 1132 Power Shift Snowthrower, 1988 (8000001-8999999) ENGINE BRIGGS & STRATTON MODEL NO. 252416 TYPE 0749-01 (MODEL 38565) #2. Wählen Sie das benötigte Ersatzteil aus der Ersatzteilliste Ihres Toro Gerätes aus und bestellen Sie einfach online. Viele Toro Ersatzteile halten wir ständig in unserem Lager für Sie bereit.
| BildNr | Artikel Nummer | Bezeichnung | |
| 3 | BS391086 | VERWEIS ZU | |
| 24 | BS222698 | VERWEIS ZU | |
| 55 | BS398099 | STARTERGEHAUESE | |
| 56 | BS295871 | SEILSCHEIBE | |
| 57 | BS490179 | STARTERFEDER 294303 | |
| 58 | BS66884 | ||
| 60 | BS398101 | STARTERGRIFF | |
| 63 | BS260414 | VERWEIS ZU | |
| 64 | BS230543 | VERWEIS-NR. 281204 | |
| 65 | BS93105 | ||
| 66 | BS394558 | VERWEIS-NR. 399671 | |
| 67 | BS394897 | KUPPL.GEHAEUSE 395354,212483 | |
| 68 | BS63770 | ||
| 70 | BS298799 | VERWEIS ZU | |
| 71 | BS221653 | VERWEIS-NR. 394506 | |
| 73 | BS221794 | ||
| 74 | BS93042 | ||
| 76 | BS68238 | ||
| 171A | BS90356 | ||
| 186 | BS280727 | VERBINDUNGSSTUECK | |
| 187A | BS393815 | BENZINLEITUNG | |
| 231 | BS93064 | ||
| 304 | BS392738 | VERWEIS ZU | |
| 305 | BS93158 | ||
| 353A | BS94281 | FEDERRING | |
| 363 | BS19203 | SCHWUNGRADABZ.19068 | |
| 373 | BS92987 | ||
| 387 | BS399255 | PRIMER | |
| 467 | BS391908 | KONTROLLKNOPF 391944 | |
| 528 | BS399254 | ROHR | |
| 528A | BS399256 | INJECTOR-ROHR | |
| 538 | BS396085 | SICHERUNG | |
| 587 | BS220162 | KLAMMER 220509 | |
| 601 | BS93807 | ||
| 601A | BS94174 | ||
| 608 | BS397982 | RUECKLAUFSTARTER | |
| 655 | BS222598 | VERWEIS-NR. 691734 | |
| 682 | BS211516 | SCHUTZBLECH (I) | |
| 731 | BS490173 | SCHNEESCHUTZ | |
| 805 | BS94189 | SECHSKANT-MUTTER | |
| 932 | BS396084 | FUEHRUNG | |
| 1016 | BS490817 | DISTANZSTUECK | |


Qualitätsmanagement
Informieren Sie uns, wenn Sie einen Fehler gefunden haben.

