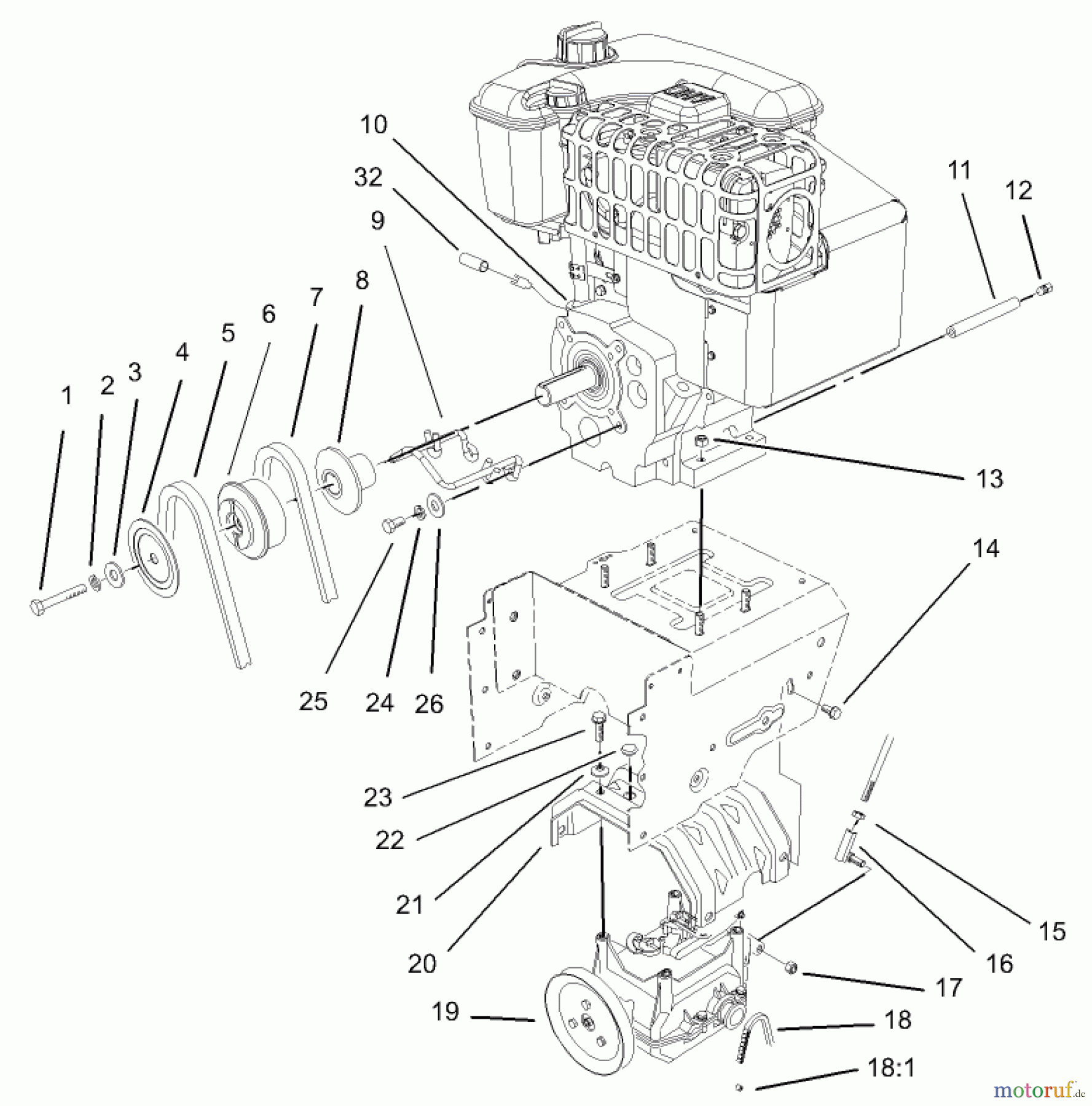
Toro 38560 (1028) - 1028 Power Shift Snowthrower, 2004 (240000001-240999999) ENGINE AND TRANSMISSION ASSEMBLY Ersatzteile
ENGINE AND TRANSMISSION ASSEMBLY 38560 (1028) - Toro 1028 Power Shift Snowthrower, 2004 (240000001-240999999)

Hier finden Sie die Ersatzteilzeichnung für Toro Neu Snow Blowers/Snow Throwers Seite 1 38560 (1028) - Toro 1028 Power Shift Snowthrower, 2004 (240000001-240999999) ENGINE AND TRANSMISSION ASSEMBLY. Wählen Sie das benötigte Ersatzteil aus der Ersatzteilliste Ihres Toro Gerätes aus und bestellen Sie einfach online. Viele Toro Ersatzteile halten wir ständig in unserem Lager für Sie bereit.







