Toro 38559 (1028) - 1028 Power Shift Snowthrower, 2003 (230000001-230999999) CARBURETOR NO. 640169 Ersatzteile
CARBURETOR NO. 640169 38559 (1028) - Toro 1028 Power Shift Snowthrower, 2003 (230000001-230999999)

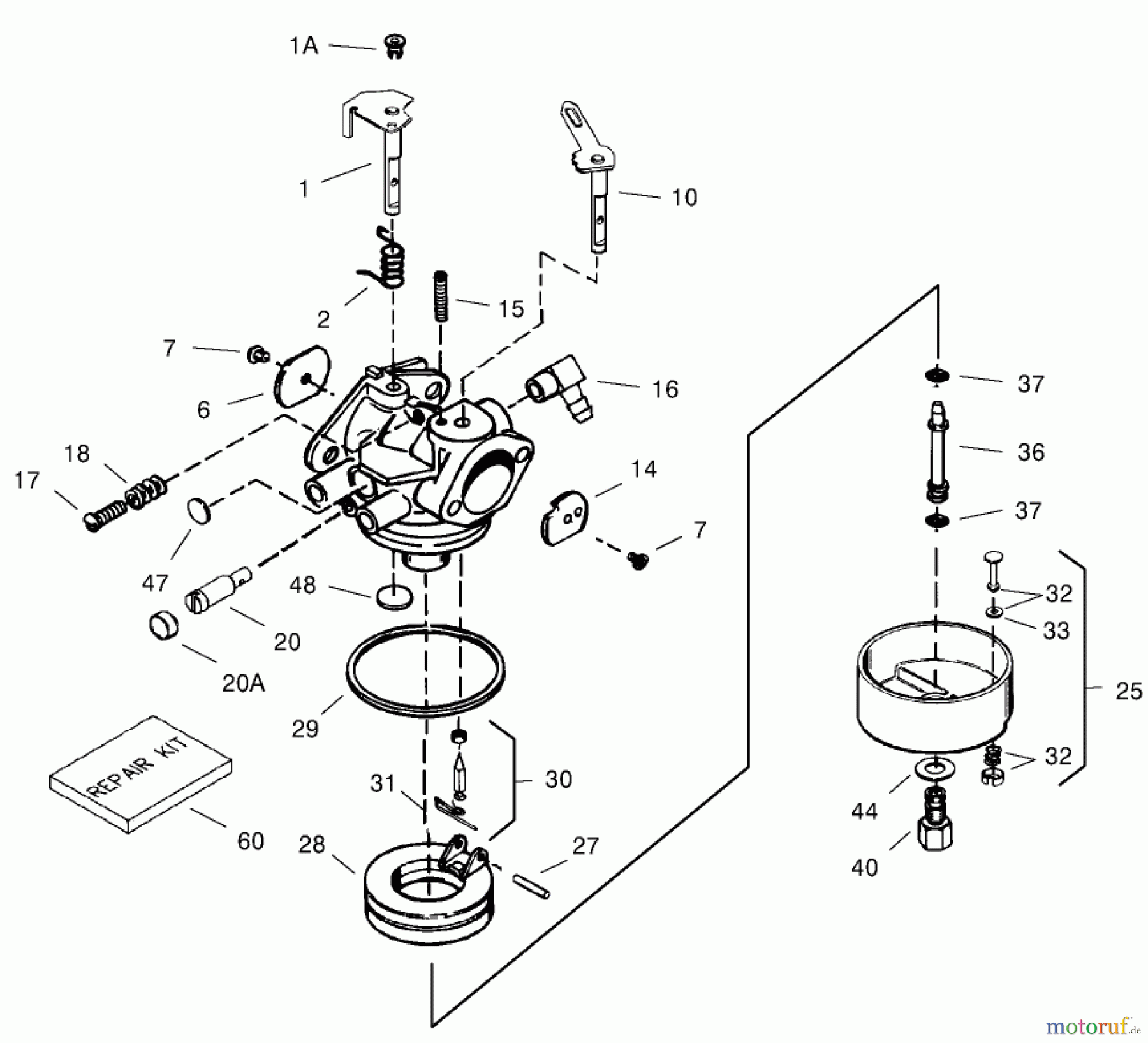
Hier finden Sie die Ersatzteilzeichnung für Toro Neu Snow Blowers/Snow Throwers Seite 1 38559 (1028) - Toro 1028 Power Shift Snowthrower, 2003 (230000001-230999999) CARBURETOR NO. 640169. Wählen Sie das benötigte Ersatzteil aus der Ersatzteilliste Ihres Toro Gerätes aus und bestellen Sie einfach online. Viele Toro Ersatzteile halten wir ständig in unserem Lager für Sie bereit.


Qualitätsmanagement
Informieren Sie uns, wenn Sie einen Fehler gefunden haben.




