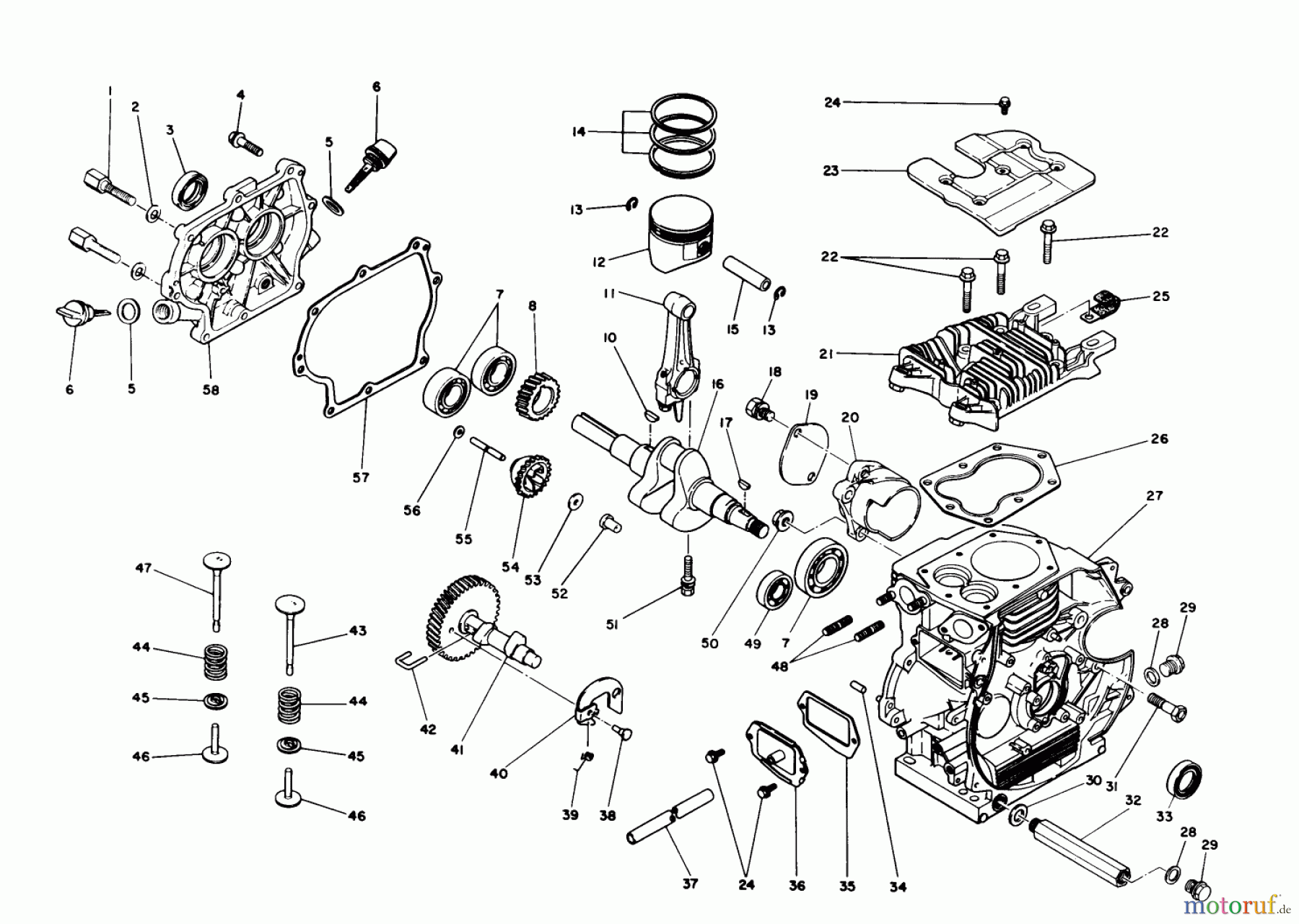
Toro 38545 (828) - 828 Power Shift Snowthrower, 1988 (8000001-8999999) CRANKCASE ASSEMBLY Ersatzteile
CRANKCASE ASSEMBLY 38545 (828) - Toro 828 Power Shift Snowthrower, 1988 (8000001-8999999)

Hier finden Sie die Ersatzteilzeichnung für Toro Neu Snow Blowers/Snow Throwers Seite 1 38545 (828) - Toro 828 Power Shift Snowthrower, 1988 (8000001-8999999) CRANKCASE ASSEMBLY. Wählen Sie das benötigte Ersatzteil aus der Ersatzteilliste Ihres Toro Gerätes aus und bestellen Sie einfach online. Viele Toro Ersatzteile halten wir ständig in unserem Lager für Sie bereit.


Qualitätsmanagement
Informieren Sie uns, wenn Sie einen Fehler gefunden haben.

