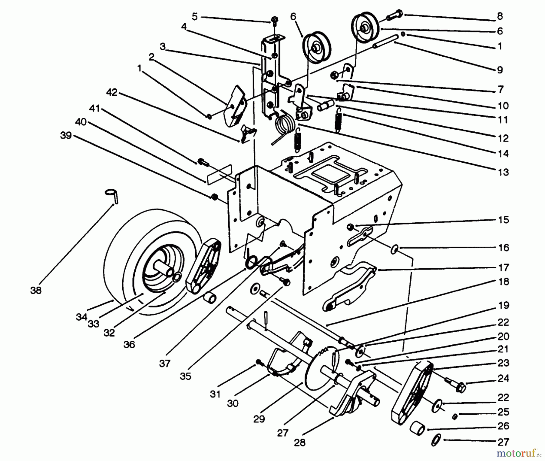
Toro 38543 (824) - 824 Power Shift Snowthrower, 1993 (3900001-3999999) TRACTION DRIVE ASSEMBLY Ersatzteile
TRACTION DRIVE ASSEMBLY 38543 (824) - Toro 824 Power Shift Snowthrower, 1993 (3900001-3999999)

Hier finden Sie die Ersatzteilzeichnung für Toro Neu Snow Blowers/Snow Throwers Seite 1 38543 (824) - Toro 824 Power Shift Snowthrower, 1993 (3900001-3999999) TRACTION DRIVE ASSEMBLY. Wählen Sie das benötigte Ersatzteil aus der Ersatzteilliste Ihres Toro Gerätes aus und bestellen Sie einfach online. Viele Toro Ersatzteile halten wir ständig in unserem Lager für Sie bereit.


Qualitätsmanagement
Informieren Sie uns, wenn Sie einen Fehler gefunden haben.



