Toro 38543 (824) - 824 Power Shift Snowthrower, 1988 (8000001-8999999) ELECTRIC STARTER MOTOR KIT NO. 33329C (OPTIONAL) Ersatzteile
ELECTRIC STARTER MOTOR KIT NO. 33329C (OPTIONAL) 38543 (824) - Toro 824 Power Shift Snowthrower, 1988 (8000001-8999999)

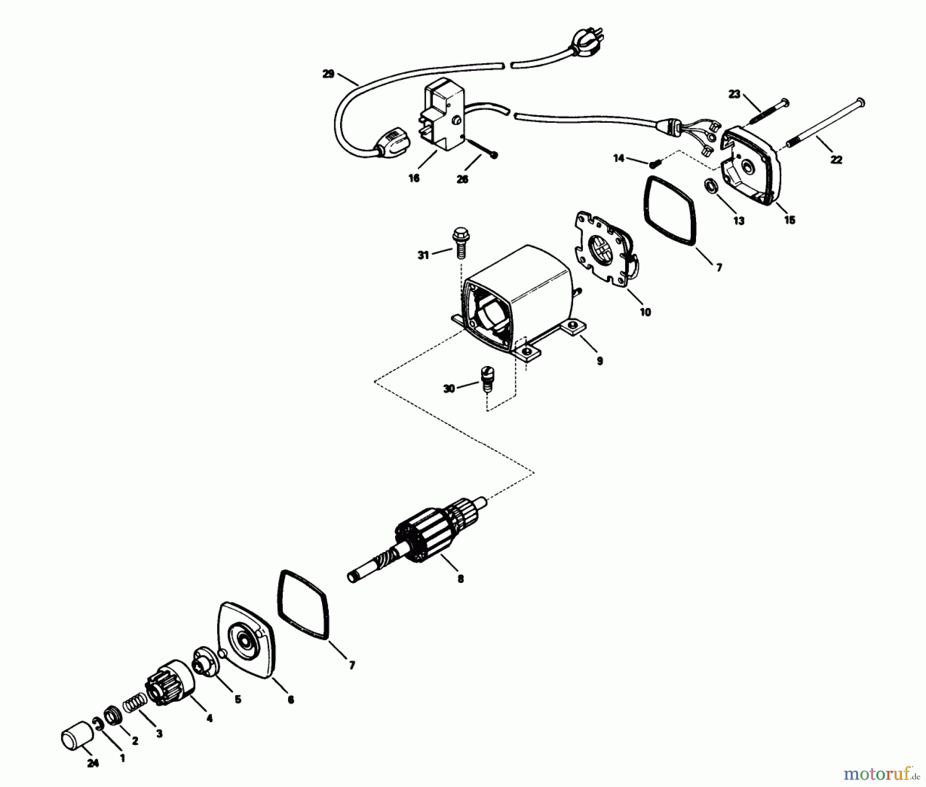
Hier finden Sie die Ersatzteilzeichnung für Toro Neu Snow Blowers/Snow Throwers Seite 1 38543 (824) - Toro 824 Power Shift Snowthrower, 1988 (8000001-8999999) ELECTRIC STARTER MOTOR KIT NO. 33329C (OPTIONAL). Wählen Sie das benötigte Ersatzteil aus der Ersatzteilliste Ihres Toro Gerätes aus und bestellen Sie einfach online. Viele Toro Ersatzteile halten wir ständig in unserem Lager für Sie bereit.
| BildNr | Artikel Nummer | Bezeichnung | |
| 1 | TC33842 | SICHERUNGSRING | |
| 2 | TC37606 | RETAINER | |
| 3 | TC33431 | FEDER | |
| 4 | TC33432 | ZAHNRAD | |
| 5 | TC33433 | NUT ASSY | |
| 6 | TC35449 | END CAP | |
| 7 | TC35450 | O-RING | |
| 8 | TC33541A | ARMATUR | |
| 9 | TC33329F | STARTER KIT | |
| 10 | TC35452 | USE 35452A | |
| 13 | TC590500 | WASHER | |
| 14 | TC33441 | SCHRAUBE | |
| 15 | TC35453 | END CAP | |
| 16 | TC35454 | SCHALTER | |
| 22 | TC35455 | SCHRAUBE | |
| 23 | TC35456 | SCHRAUBE | |
| 24 | TC33451 | DECKEL / KAPPE | |
| 26 | TC650819 | SCHRAUBE | |
| 29 | TC32450A | USE 00032450B | |
| 30 | TC30063 | SCHRAUBE | |
| 31 | TC650820 | SCHRAUBE | |


Qualitätsmanagement
Informieren Sie uns, wenn Sie einen Fehler gefunden haben.

