Einstellungen Computer

Toro 38540 (824) - 824 Power Shift Snowthrower, 1992 (2000001-2999999) ENGINE TECUMSEH MODEL NO. HM80-155337P Ersatzteile

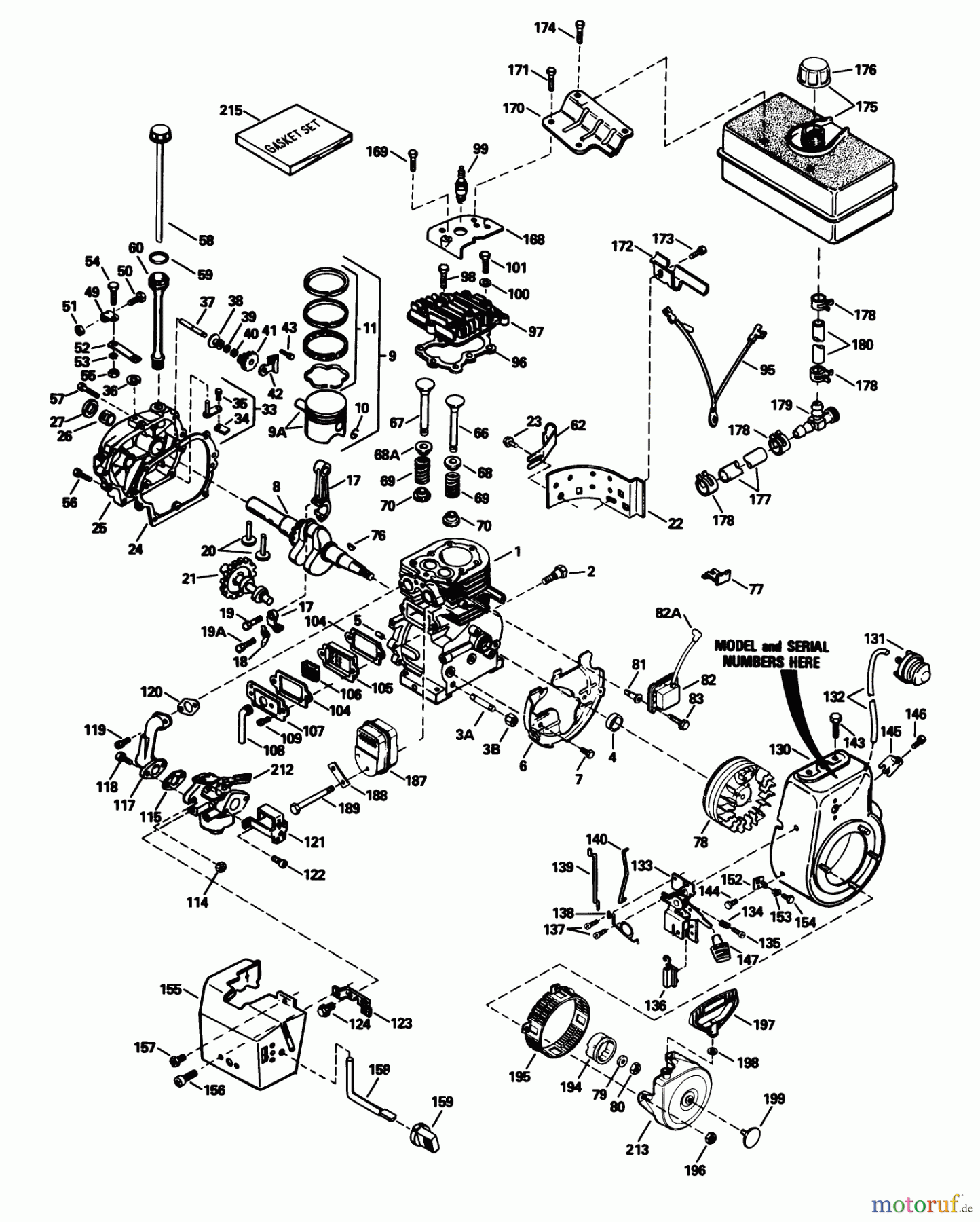
ENGINE TECUMSEH MODEL NO. HM80-155337P 38540 (824) - Toro 824 Power Shift Snowthrower, 1992 (2000001-2999999)

 Toro Neu Snow Blowers/Snow Throwers Seite 1 38540 (824) - Toro 824 Power Shift Snowthrower, 1992 (2000001-2999999) ENGINE TECUMSEH MODEL NO. HM80-155337P

Hier finden Sie die Ersatzteilzeichnung für Toro Neu Snow Blowers/Snow Throwers Seite 1 38540 (824) - Toro 824 Power Shift Snowthrower, 1992 (2000001-2999999) ENGINE TECUMSEH MODEL NO. HM80-155337P. Wählen Sie das benötigte Ersatzteil aus der Ersatzteilliste Ihres Toro Gerätes aus und bestellen Sie einfach online. Viele Toro Ersatzteile halten wir ständig in unserem Lager für Sie bereit.

BildNrArtikel NummerBezeichnung
1 TC35385ZYLINDER
2 TC650820SCHRAUBE
3A TC34171PIPE NIPPLE
3B TC30969PIPE CAP
27 TC35319SIMMERRING
5 TC27652STIFT
6 TC37853BAFFLE
173 TC650561SCHRAUBE
8 TC35571CRANKSHAFT
9 TC40049PISTON ASSY STD
TC34553PISTON ASSY 010
TC34554PISTON ASSY 020
9A TC40049PISTON ASSY STD
TC34330AUSE 40012
TC34331APISTON & PIN 20
10 TC27888RET RING
11 TC40049PISTON ASSY STD
TC34333KOLBENRINGSATZ
TC34334RING SET 020
17 TC36897ACONN ROD
18 TC35374OELSCHLEUDER
19 TC650908SCREW
19A TC650882SCREW
20 TC34034VENTILSTOESSEL
21 TC35375NOCKENWELLE
22 TC33273AVERLKLEIDUNG
109 TC650128SCHRAUBE
24 TC37342GASKET TC-37342
25 TC35376ZYLINDERDECKEL
26 TC35377BUSHING
27 TC35319SIMMERRING
33 TC30699CGOVERNOR ROD
34 TC30700REGLERHEBEL
35 TC650494SCHRAUBE
36 TC29642SICHERUNGSRING
37 TC37587GOV SHAFT
38 TC30588AREGLERSPULE
39 TC651080WASHER
40 TC29193SICHERUNGSRING
41 TC35378ZAHNRAD
42 TC33369HALTER
43 TC650836SCREW
49 TC29916KLAMMER
50 TC29826SCHRAUBE
51 TC29216MUTTER
52 TC33454USE 33454A
53 TC29918WASHER
54 TC650548SCREW
55 TC30322MUTTER
56 TC650832SCHRAUBE
57 TC650833SCHRAUBE
58 TC35555DIPSTICK
59 TC35499O-RING
60 TC35554EINFUELLROHR
62 TC35540CLIP
66 TC27878AEXH VALVE STD
TC27880AAUSLASSVENTIL +
67 TC34035EINLASSVENTIL
TC34036EINLASSVENTIL
68 TC27882VENTILTELLER
68A TC34689INT VALVE SEAL
69 TC27881VALVE SPRING
70 TC32581VENTILTELLER
77 TC29443KLEMME
78 TC611091FLYWHEEL
79 TC650880WASHER
80 TC650881MUTTER
81 TC650872USE 651024
82 TC35135BLAMINATION
82A TC610118KERZENSTECKER
83 TC650814SCREW
95 TC35253GROUND WIRE
96 TC34923ADICHTUNG
97 TC34030USE 00034030A
98 Toro SCHRAUBETC6021ASCHRAUBE
99 TC35395ZUENDKERZE
100 TC650691SCHEIBE
101 TC650727SCREW
104 TC27896AGASKET
105 TC28423BREATHER
106 TC28424ENTLUEFTEREINSATZ
107 TC28425VALVE COVER
108 TC35350ROHR
109 TC650128SCHRAUBE
196 TC29752NUT
115 TC33263DICHTUNG
117 TC33877EINLASSROHR
118 TC30088ASCHRAUBE
119 TC650378SCREW
120 TC27915ADICHTUNG
121 TC34587BBRACKET
122 TC651081SCHRAUBE
123 TC33377USE 37659
124 TC650767SCHRAUBE
130 TC37961BLOWER HSG
131 TC570682PRIMER
132 TC32180CPRIMERLEITUNG
133 TC34677VERGASERVERKLEIDUNG
134 TC31342FEDER
135 TC650549SCREW
136 TC610973TERMINAL
137 TC650821SCHRAUBE
138 TC34663FEDER
139 TC34667REGLERGELENK
140 TC33878REGLERGELENK
143 TC650788SCREW
144 TC29747BSCHRAUBE
145 TC33013DECKEL
154 TC650760SCHRAUBE
147 TC35440KNOPF
152 TC34126HALTER
153 TC28545GROMMET
154 TC650760SCHRAUBE
155 TC36547AVERGASERDECKEL
156 TC28942SCREW
157 TC650765SCHRAUBE
158 TC34586CHOKE ROD
159 TC35438KNOPF
168 TC33272DDECKEL
169 TC650802SCHRAUBE
170 TC34154TANKHALTER
171 TC650273SCHRAUBE
172 TC34155TANKHALTER
173 TC650561SCHRAUBE
174 TC650665SCHRAUBE
175 TC34156ATANK
176 TC35355FUEL CAP
177 TC30705FUEL LINE
178 TC26460CLAMP
179 TC32961USE 35857
180 TC29774KRAFTSTOFFLEITUNG
187 TC35056SCHALLDAEMPFER
188 TC31588LOCK PLATE
189 TC792093SCHRAUBE
194 TC37966STARTER CUP
195 TC35446SIEB
196 TC29752NUT
197 TC590574STARTERGRIFF
198 TC650168SCHEIBE
199 TC35392STARTER PLUG
212 TC632334ACARBURETOR
213 TC590689BSTARTER
215 TC33279LDICHTUNGSATZ
Rasen
Bankeinzug, MasterCard, Visa, American Express, PayPal, Nachnahme, Vorauskasse, Sofortüberweisung
Datenschutzerklärung Impressum
Qualitätsmanagement
Informieren Sie uns, wenn Sie einen Fehler gefunden haben.