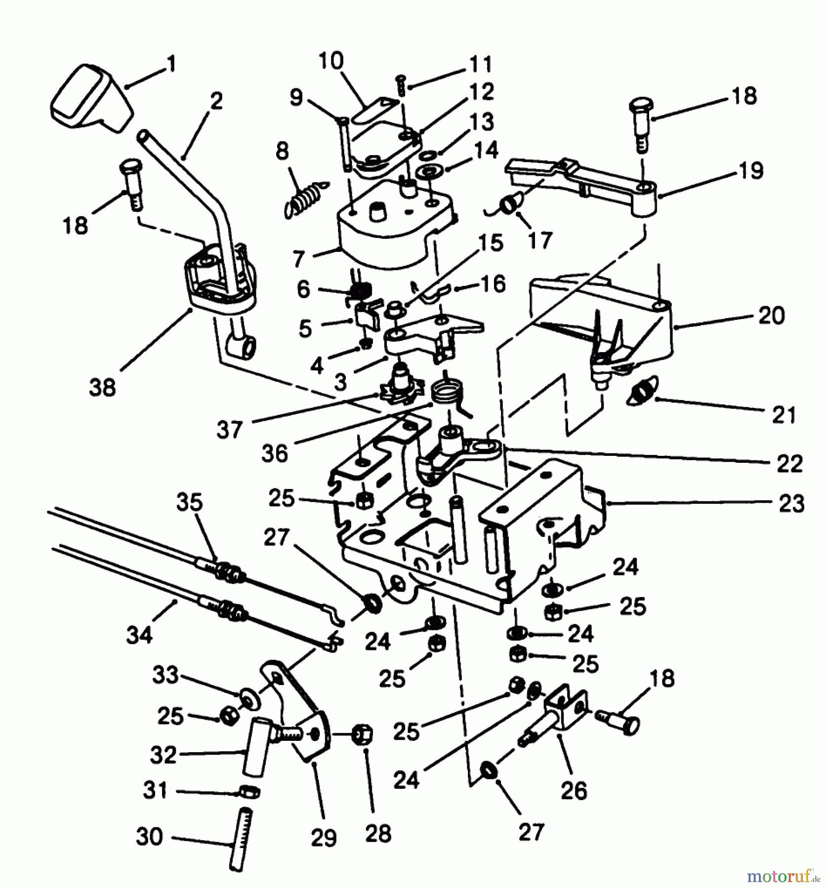
Toro 38525 (724) - 724 Power Shift Snowthrower, 1988 (8000001-8999999) TRACTION LINKAGE ASSEMBLY Ersatzteile
TRACTION LINKAGE ASSEMBLY 38525 (724) - Toro 724 Power Shift Snowthrower, 1988 (8000001-8999999)

Hier finden Sie die Ersatzteilzeichnung für Toro Neu Snow Blowers/Snow Throwers Seite 1 38525 (724) - Toro 724 Power Shift Snowthrower, 1988 (8000001-8999999) TRACTION LINKAGE ASSEMBLY. Wählen Sie das benötigte Ersatzteil aus der Ersatzteilliste Ihres Toro Gerätes aus und bestellen Sie einfach online. Viele Toro Ersatzteile halten wir ständig in unserem Lager für Sie bereit.


Qualitätsmanagement
Informieren Sie uns, wenn Sie einen Fehler gefunden haben.



