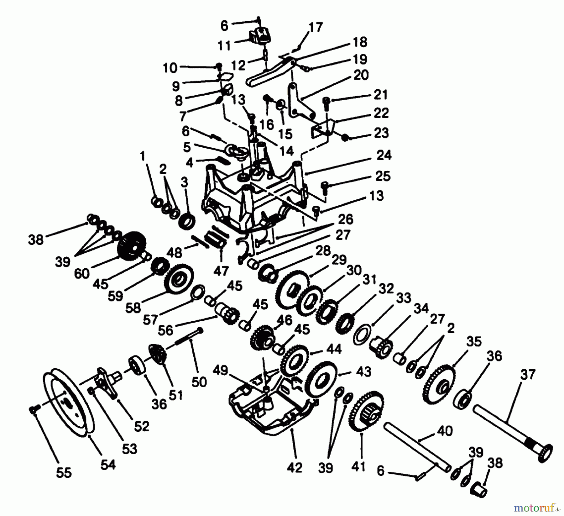
Toro 38520 (724) - 724 Power Shift Snowthrower, 1988 (8000001-8999999) TRANSMISSION ASSEMBLY NO. 62-0190 Ersatzteile
TRANSMISSION ASSEMBLY NO. 62-0190 38520 (724) - Toro 724 Power Shift Snowthrower, 1988 (8000001-8999999)

Hier finden Sie die Ersatzteilzeichnung für Toro Neu Snow Blowers/Snow Throwers Seite 1 38520 (724) - Toro 724 Power Shift Snowthrower, 1988 (8000001-8999999) TRANSMISSION ASSEMBLY NO. 62-0190. Wählen Sie das benötigte Ersatzteil aus der Ersatzteilliste Ihres Toro Gerätes aus und bestellen Sie einfach online. Viele Toro Ersatzteile halten wir ständig in unserem Lager für Sie bereit.


Qualitätsmanagement
Informieren Sie uns, wenn Sie einen Fehler gefunden haben.


