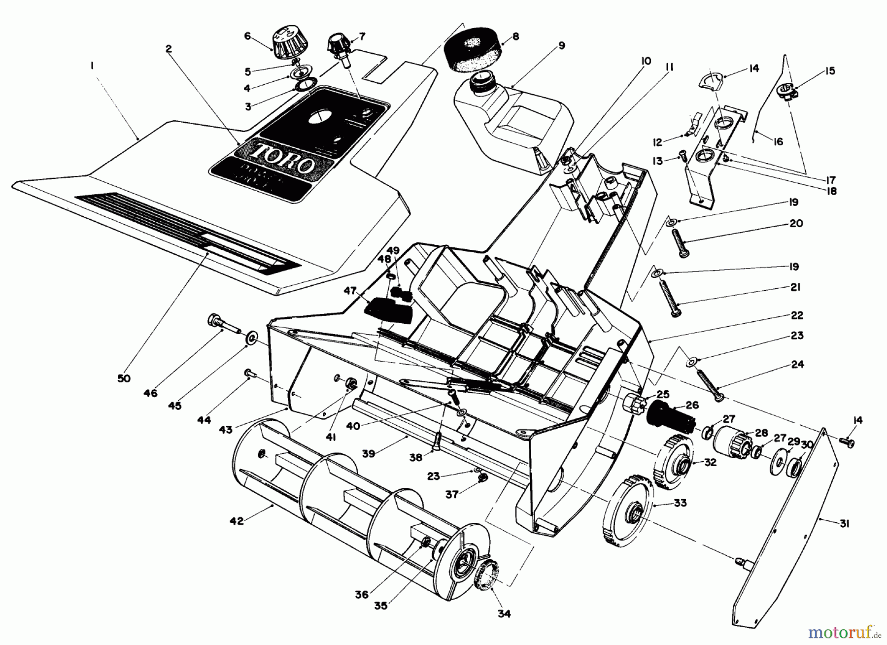
Toro 38350 - Gas Power Shovel Snowthrower, 1983 (3000001-3999999) ROTOR HOUSING ASSEMBLY Ersatzteile
ROTOR HOUSING ASSEMBLY 38350 - Toro Gas Power Shovel Snowthrower, 1983 (3000001-3999999)

Hier finden Sie die Ersatzteilzeichnung für Toro Neu Snow Blowers/Snow Throwers Seite 1 38350 - Toro Gas Power Shovel Snowthrower, 1983 (3000001-3999999) ROTOR HOUSING ASSEMBLY. Wählen Sie das benötigte Ersatzteil aus der Ersatzteilliste Ihres Toro Gerätes aus und bestellen Sie einfach online. Viele Toro Ersatzteile halten wir ständig in unserem Lager für Sie bereit.


Qualitätsmanagement
Informieren Sie uns, wenn Sie einen Fehler gefunden haben.




