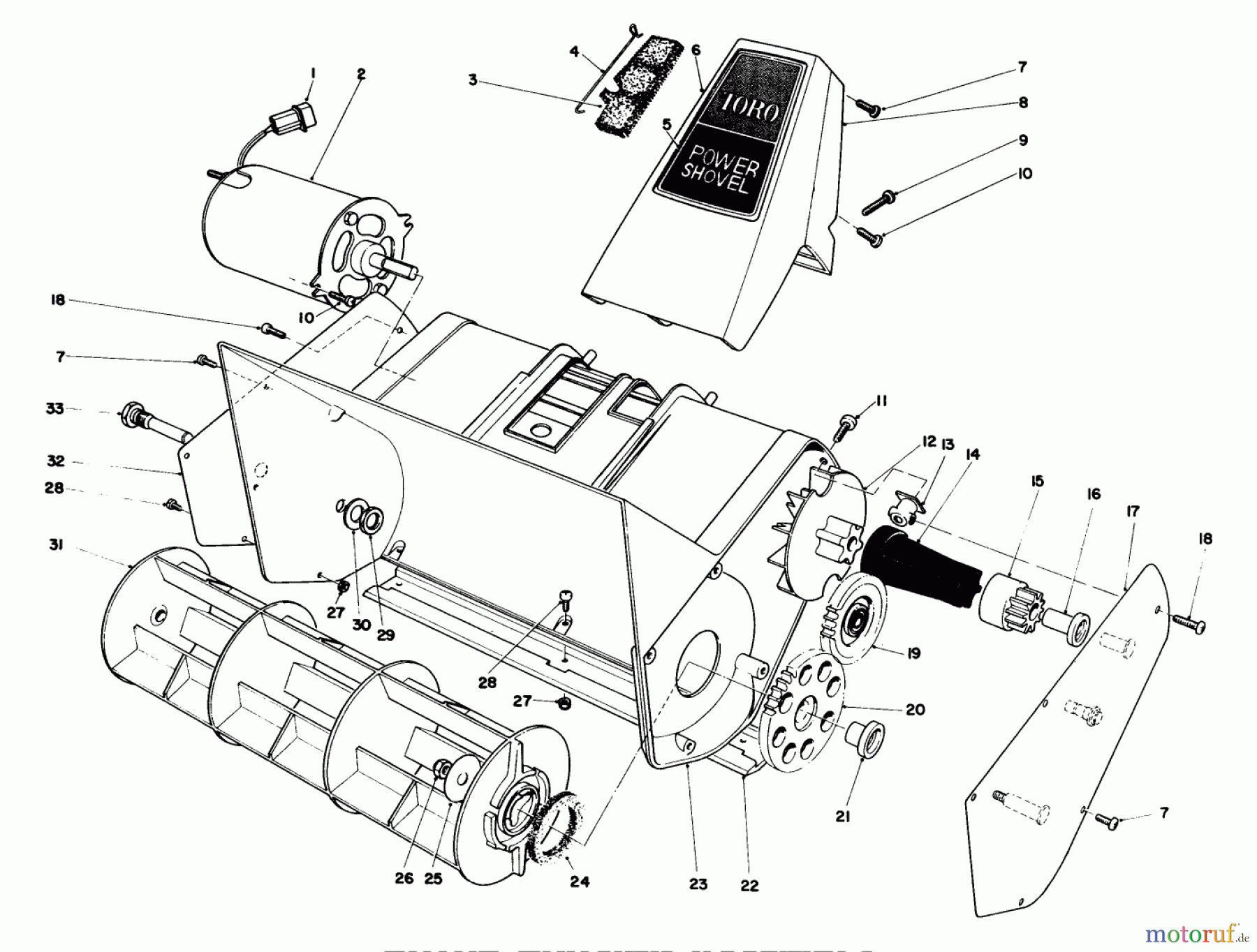
Toro 38310 - Power Shovel Snowthrower, 1985 (5000001-5999999) ROTOR HOUSING ASSEMBLY Ersatzteile
ROTOR HOUSING ASSEMBLY 38310 - Toro Power Shovel Snowthrower, 1985 (5000001-5999999)

Hier finden Sie die Ersatzteilzeichnung für Toro Neu Snow Blowers/Snow Throwers Seite 1 38310 - Toro Power Shovel Snowthrower, 1985 (5000001-5999999) ROTOR HOUSING ASSEMBLY. Wählen Sie das benötigte Ersatzteil aus der Ersatzteilliste Ihres Toro Gerätes aus und bestellen Sie einfach online. Viele Toro Ersatzteile halten wir ständig in unserem Lager für Sie bereit.




