Toro 38273 - Powerlite Snowthrower, 2012 (312000001-312999999) ENGINE ASSEMBLY NO. 119-1974 Ersatzteile
ENGINE ASSEMBLY NO. 119-1974 38273 - Toro Powerlite Snowthrower, 2012 (312000001-312999999)

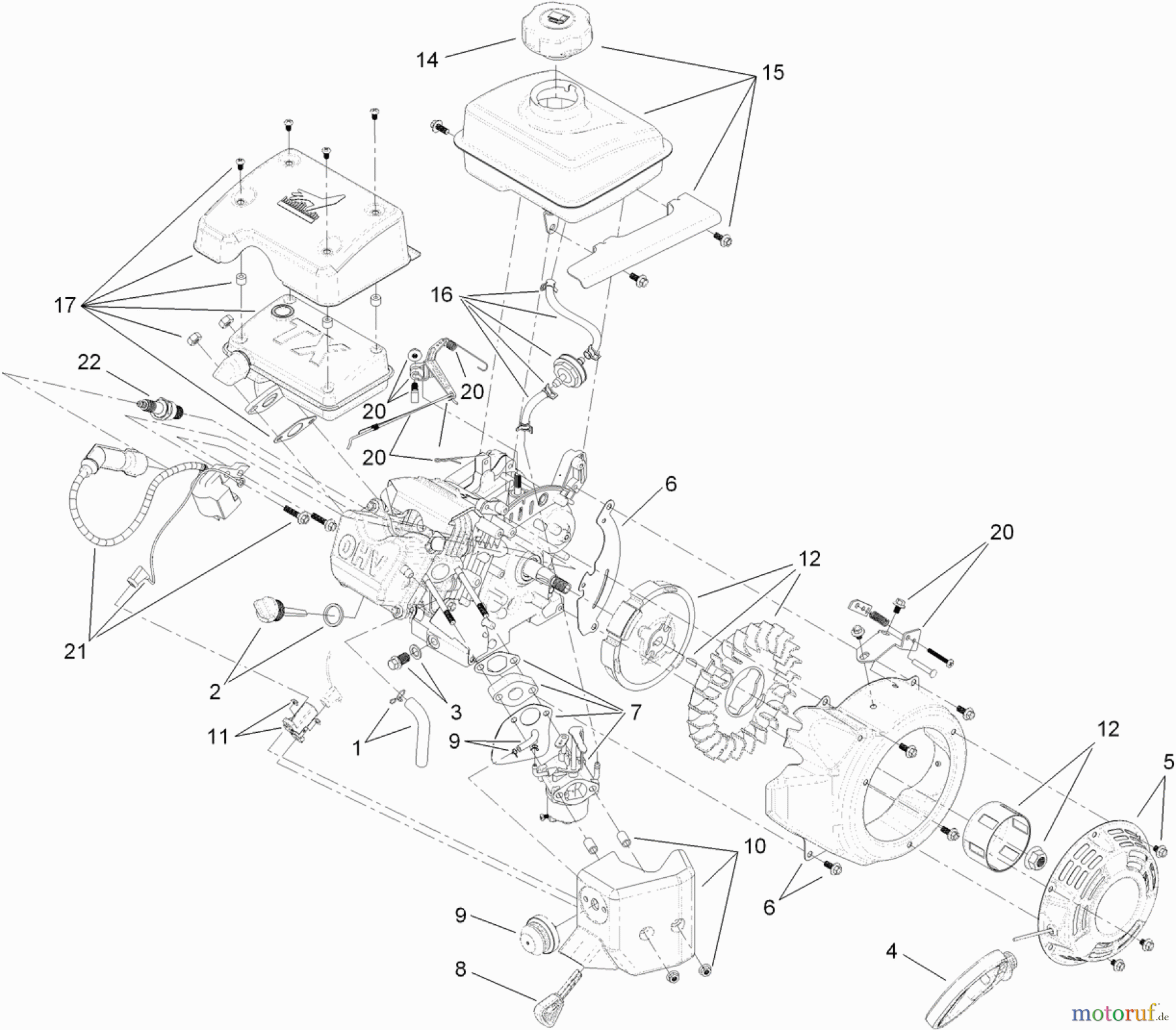
Hier finden Sie die Ersatzteilzeichnung für Toro Neu Snow Blowers/Snow Throwers Seite 1 38273 - Toro Powerlite Snowthrower, 2012 (312000001-312999999) ENGINE ASSEMBLY NO. 119-1974. Wählen Sie das benötigte Ersatzteil aus der Ersatzteilliste Ihres Toro Gerätes aus und bestellen Sie einfach online. Viele Toro Ersatzteile halten wir ständig in unserem Lager für Sie bereit.


Qualitätsmanagement
Informieren Sie uns, wenn Sie einen Fehler gefunden haben.

