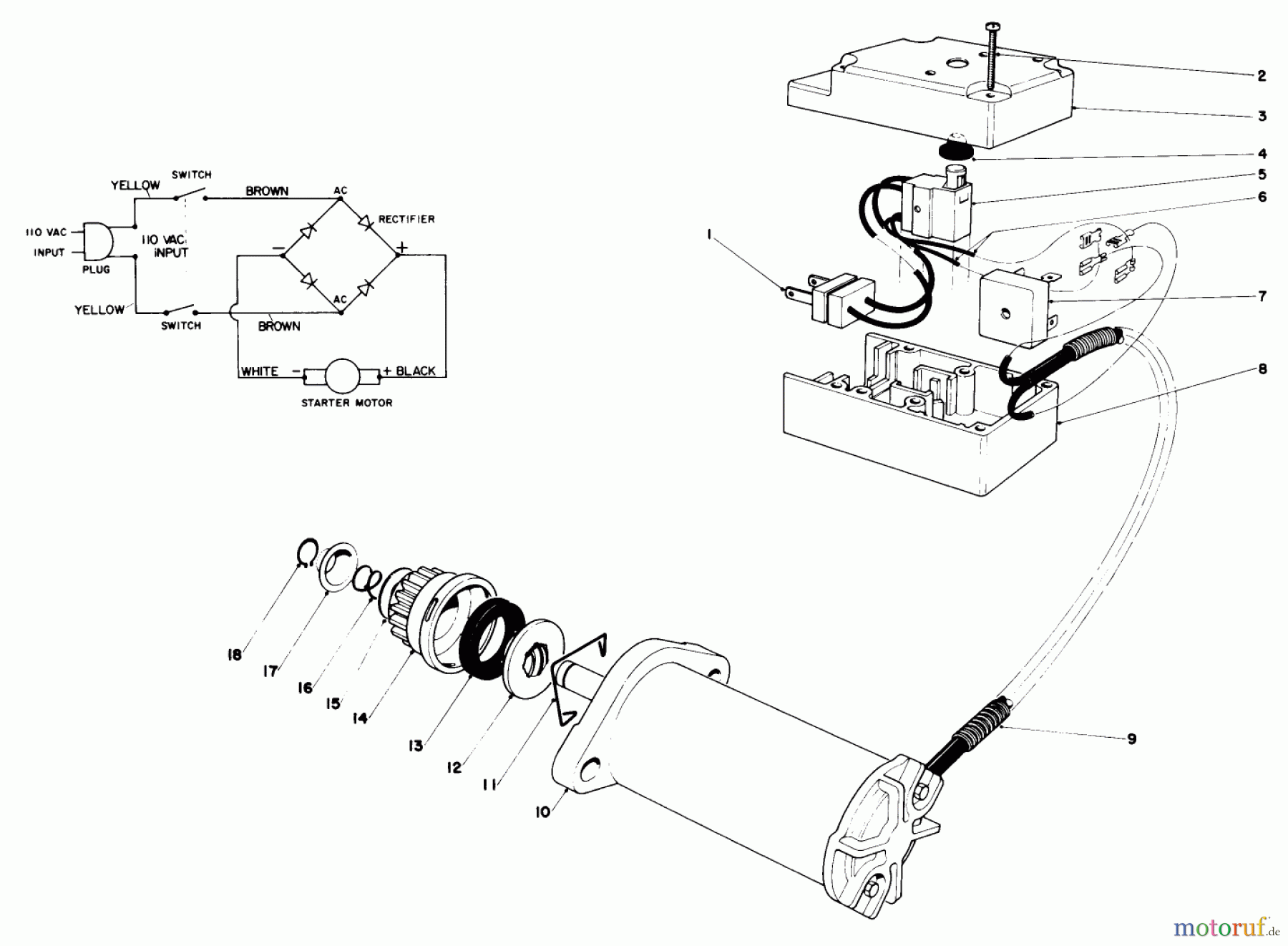
Toro 38235 (S-200) - S-200 Snowthrower, 1980 (0000001-0999999) STARTER MOTOR & SWITCH ASSEMBLY (MODEL 38235) Ersatzteile
STARTER MOTOR & SWITCH ASSEMBLY (MODEL 38235) 38235 (S-200) - Toro S-200 Snowthrower, 1980 (0000001-0999999)

Hier finden Sie die Ersatzteilzeichnung für Toro Neu Snow Blowers/Snow Throwers Seite 1 38235 (S-200) - Toro S-200 Snowthrower, 1980 (0000001-0999999) STARTER MOTOR & SWITCH ASSEMBLY (MODEL 38235). Wählen Sie das benötigte Ersatzteil aus der Ersatzteilliste Ihres Toro Gerätes aus und bestellen Sie einfach online. Viele Toro Ersatzteile halten wir ständig in unserem Lager für Sie bereit.


Qualitätsmanagement
Informieren Sie uns, wenn Sie einen Fehler gefunden haben.

