Toro 38196 - CCR 1000 Snowthrower, 1993 (3900001-3999999) ENGINE TECUMSEH MODEL NO. HSK600 TYPE 1667R (MODEL NO. 38195 ONLY) Ersatzteile
ENGINE TECUMSEH MODEL NO. HSK600 TYPE 1667R (MODEL NO. 38195 ONLY) 38196 - Toro CCR 1000 Snowthrower, 1993 (3900001-3999999)

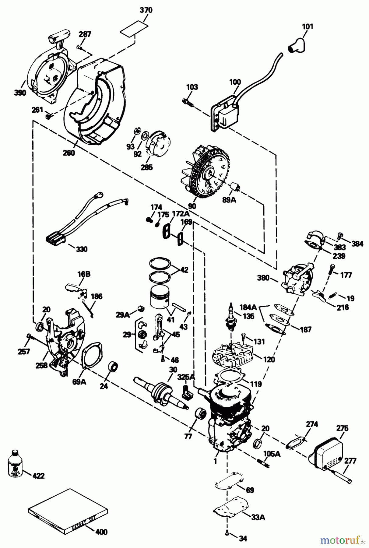
Hier finden Sie die Ersatzteilzeichnung für Toro Neu Snow Blowers/Snow Throwers Seite 1 38196 - Toro CCR 1000 Snowthrower, 1993 (3900001-3999999) ENGINE TECUMSEH MODEL NO. HSK600 TYPE 1667R (MODEL NO. 38195 ONLY). Wählen Sie das benötigte Ersatzteil aus der Ersatzteilliste Ihres Toro Gerätes aus und bestellen Sie einfach online. Viele Toro Ersatzteile halten wir ständig in unserem Lager für Sie bereit.


Qualitätsmanagement
Informieren Sie uns, wenn Sie einen Fehler gefunden haben.

