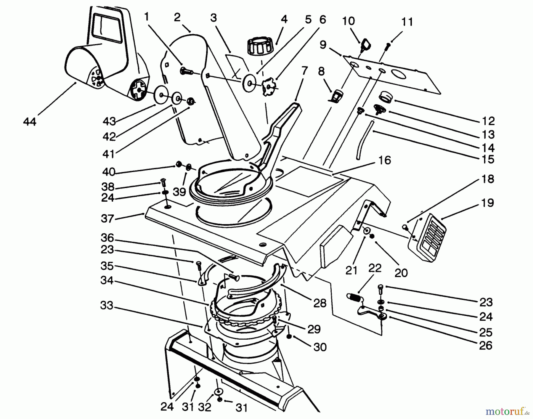
Toro 38190 - CCR 1000 Snowthrower, 1993 (39000001-39999999) UPPER SHROUD ASSEMBLY Ersatzteile
UPPER SHROUD ASSEMBLY 38190 - Toro CCR 1000 Snowthrower, 1993 (39000001-39999999)

Hier finden Sie die Ersatzteilzeichnung für Toro Neu Snow Blowers/Snow Throwers Seite 1 38190 - Toro CCR 1000 Snowthrower, 1993 (39000001-39999999) UPPER SHROUD ASSEMBLY. Wählen Sie das benötigte Ersatzteil aus der Ersatzteilliste Ihres Toro Gerätes aus und bestellen Sie einfach online. Viele Toro Ersatzteile halten wir ständig in unserem Lager für Sie bereit.


Qualitätsmanagement
Informieren Sie uns, wenn Sie einen Fehler gefunden haben.










