Toro 38186 - CCR 2000 Snowthrower, 1995 (5900001-5999999) CONTROL PANEL & SHROUDING ASSEMBLY Ersatzteile
CONTROL PANEL & SHROUDING ASSEMBLY 38186 - Toro CCR 2000 Snowthrower, 1995 (5900001-5999999)

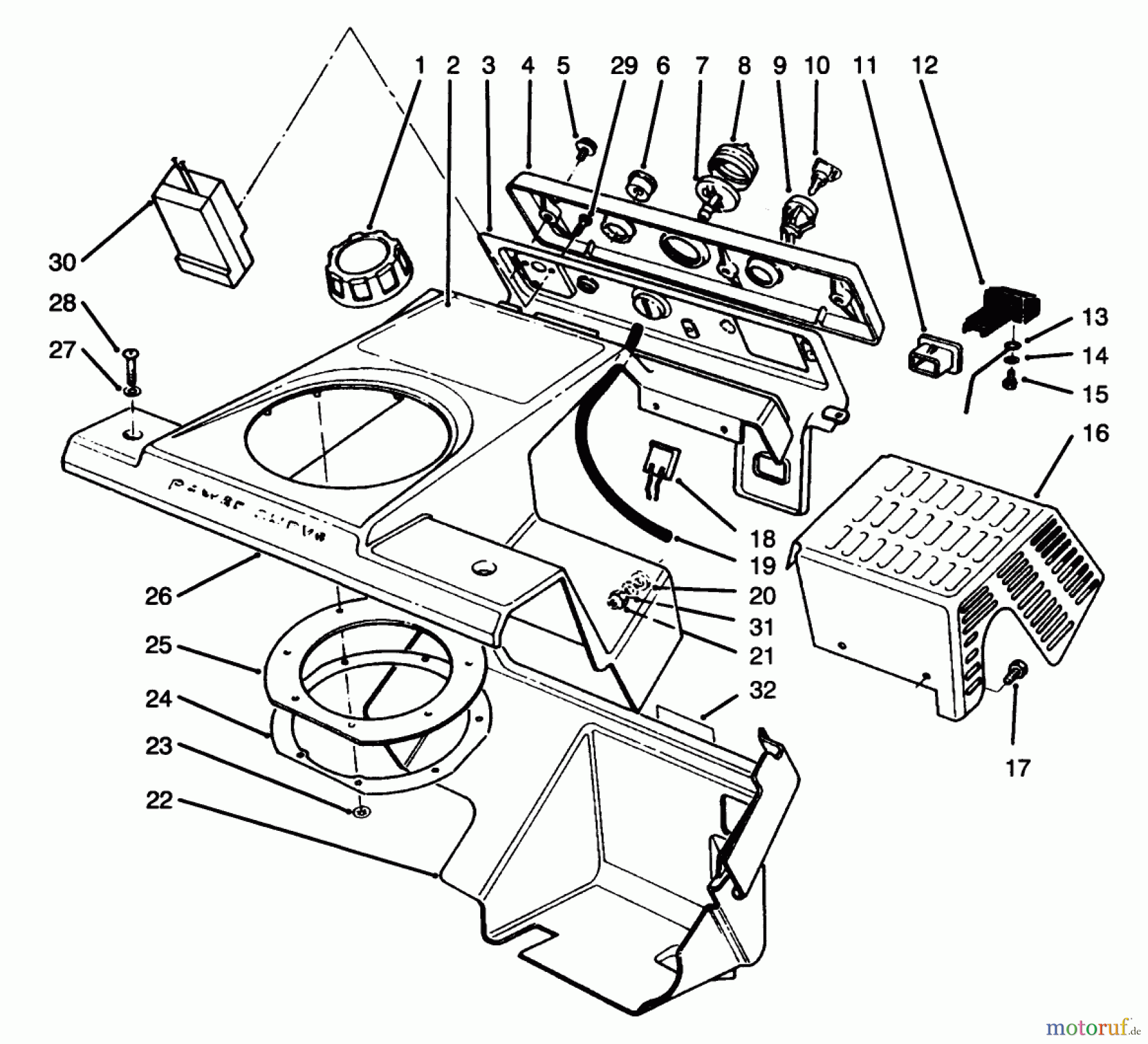
Hier finden Sie die Ersatzteilzeichnung für Toro Neu Snow Blowers/Snow Throwers Seite 1 38186 - Toro CCR 2000 Snowthrower, 1995 (5900001-5999999) CONTROL PANEL & SHROUDING ASSEMBLY. Wählen Sie das benötigte Ersatzteil aus der Ersatzteilliste Ihres Toro Gerätes aus und bestellen Sie einfach online. Viele Toro Ersatzteile halten wir ständig in unserem Lager für Sie bereit.


Qualitätsmanagement
Informieren Sie uns, wenn Sie einen Fehler gefunden haben.





