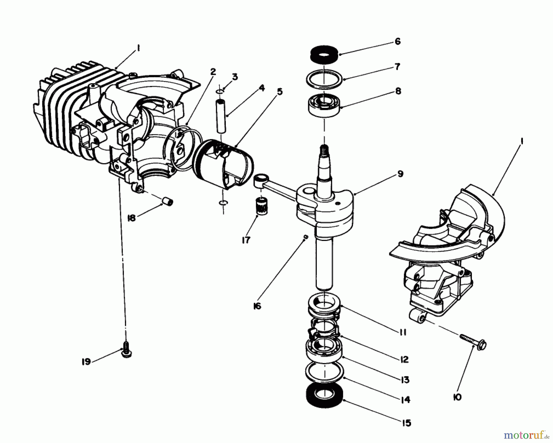
Toro 38185 - CCR 2000 Snowthrower, 1992 (2000001-2999999) SHORT BLOCK ASSEMBLY (ENGINE MODEL NO. 47PM1-5) Ersatzteile
SHORT BLOCK ASSEMBLY (ENGINE MODEL NO. 47PM1-5) 38185 - Toro CCR 2000 Snowthrower, 1992 (2000001-2999999)

Hier finden Sie die Ersatzteilzeichnung für Toro Neu Snow Blowers/Snow Throwers Seite 1 38185 - Toro CCR 2000 Snowthrower, 1992 (2000001-2999999) SHORT BLOCK ASSEMBLY (ENGINE MODEL NO. 47PM1-5). Wählen Sie das benötigte Ersatzteil aus der Ersatzteilliste Ihres Toro Gerätes aus und bestellen Sie einfach online. Viele Toro Ersatzteile halten wir ständig in unserem Lager für Sie bereit.


Qualitätsmanagement
Informieren Sie uns, wenn Sie einen Fehler gefunden haben.

