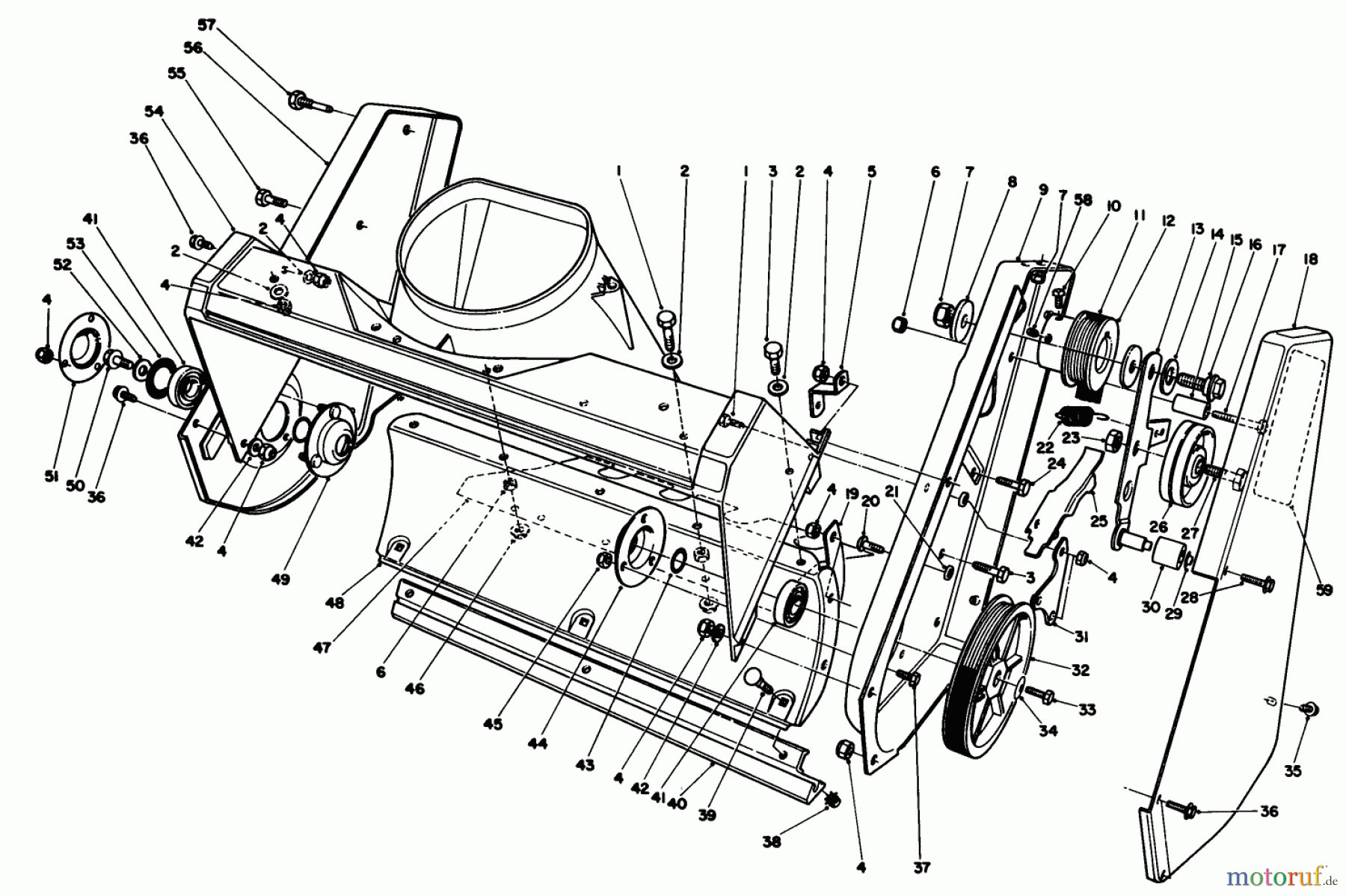
Toro 38185 - CCR 2000 Snowthrower, 1987 (7000001-7999999) HOUSING ASSEMBLY Ersatzteile
HOUSING ASSEMBLY 38185 - Toro CCR 2000 Snowthrower, 1987 (7000001-7999999)

Hier finden Sie die Ersatzteilzeichnung für Toro Neu Snow Blowers/Snow Throwers Seite 1 38185 - Toro CCR 2000 Snowthrower, 1987 (7000001-7999999) HOUSING ASSEMBLY. Wählen Sie das benötigte Ersatzteil aus der Ersatzteilliste Ihres Toro Gerätes aus und bestellen Sie einfach online. Viele Toro Ersatzteile halten wir ständig in unserem Lager für Sie bereit.










