Toro 38182 - Powerlite Snowthrower, 2009 (290000001-290999999) CARBURETOR ASSEMBLY NO. 640086A TECUMSEH TH098SA-1723F Ersatzteile
CARBURETOR ASSEMBLY NO. 640086A TECUMSEH TH098SA-1723F 38182 - Toro Powerlite Snowthrower, 2009 (290000001-290999999)

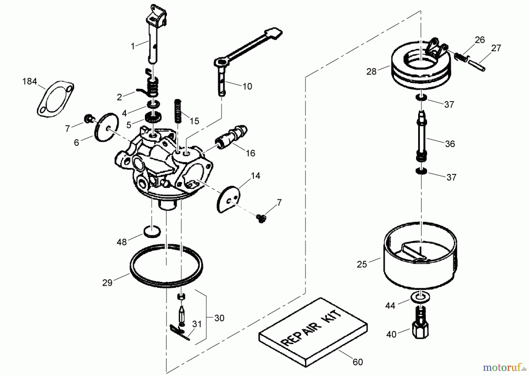
Hier finden Sie die Ersatzteilzeichnung für Toro Neu Snow Blowers/Snow Throwers Seite 1 38182 - Toro Powerlite Snowthrower, 2009 (290000001-290999999) CARBURETOR ASSEMBLY NO. 640086A TECUMSEH TH098SA-1723F. Wählen Sie das benötigte Ersatzteil aus der Ersatzteilliste Ihres Toro Gerätes aus und bestellen Sie einfach online. Viele Toro Ersatzteile halten wir ständig in unserem Lager für Sie bereit.


Qualitätsmanagement
Informieren Sie uns, wenn Sie einen Fehler gefunden haben.



