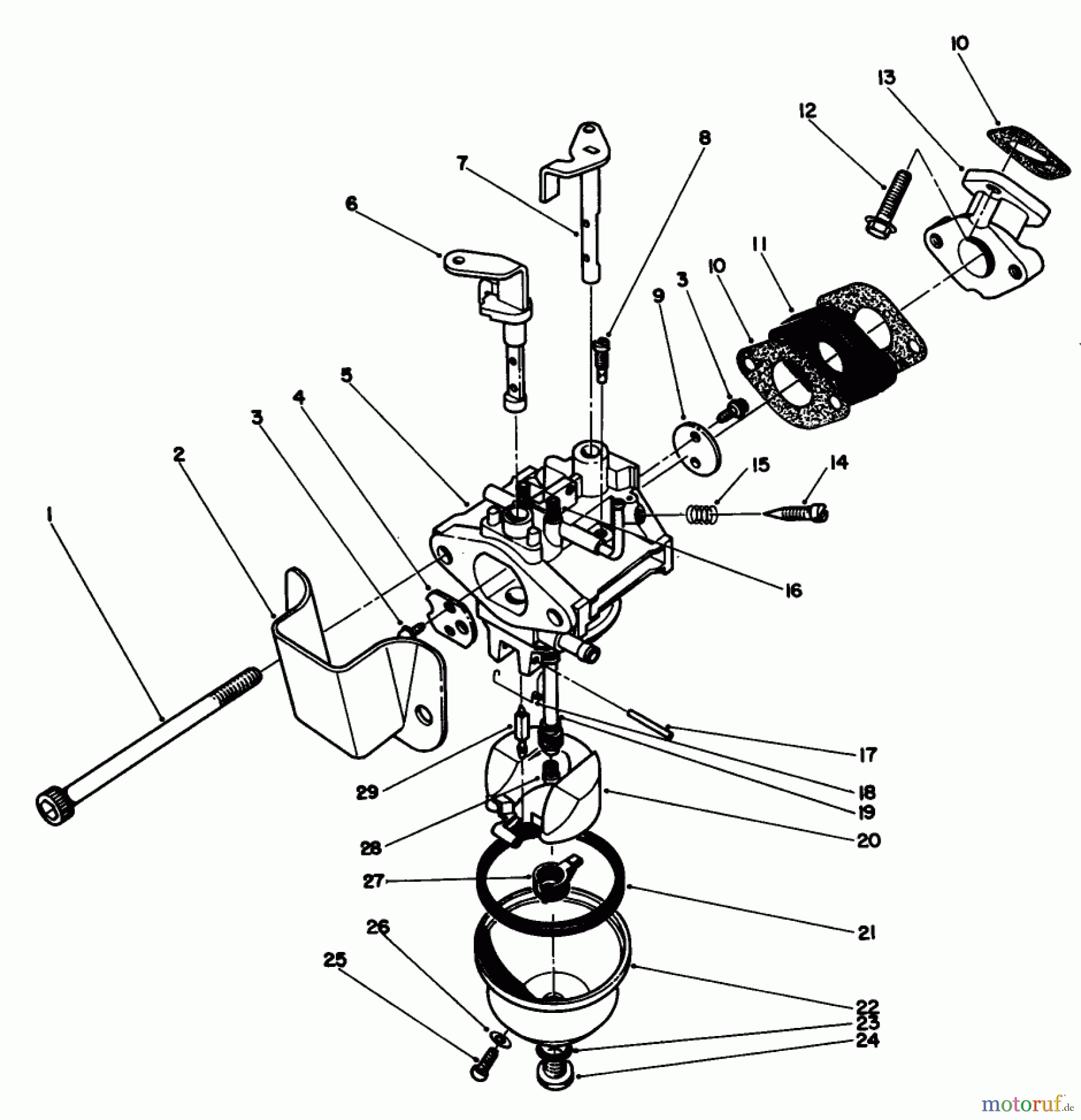
Toro 38180 - CCR 2000 Snowthrower, 1988 (8000001-8999999) CARBURETOR ASSEMBLY Ersatzteile
CARBURETOR ASSEMBLY 38180 - Toro CCR 2000 Snowthrower, 1988 (8000001-8999999)

Hier finden Sie die Ersatzteilzeichnung für Toro Neu Snow Blowers/Snow Throwers Seite 1 38180 - Toro CCR 2000 Snowthrower, 1988 (8000001-8999999) CARBURETOR ASSEMBLY. Wählen Sie das benötigte Ersatzteil aus der Ersatzteilliste Ihres Toro Gerätes aus und bestellen Sie einfach online. Viele Toro Ersatzteile halten wir ständig in unserem Lager für Sie bereit.


Qualitätsmanagement
Informieren Sie uns, wenn Sie einen Fehler gefunden haben.


