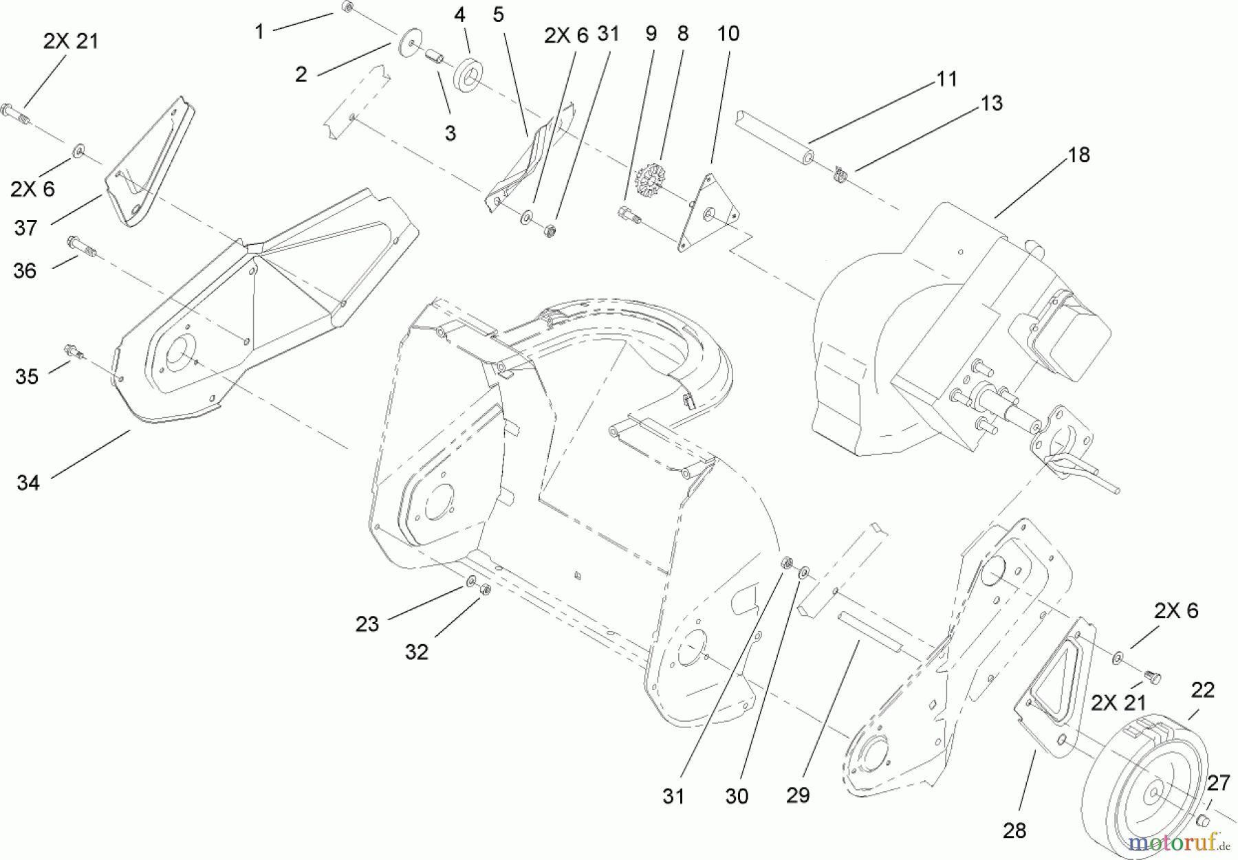
Toro 38172 - Powerlite Snowthrower, 2007 (270000001-270999999) ENGINE, ROTOR HOUSING AND SIDEPLATE ASSEMBLY Ersatzteile
ENGINE, ROTOR HOUSING AND SIDEPLATE ASSEMBLY 38172 - Toro Powerlite Snowthrower, 2007 (270000001-270999999)

Hier finden Sie die Ersatzteilzeichnung für Toro Neu Snow Blowers/Snow Throwers Seite 1 38172 - Toro Powerlite Snowthrower, 2007 (270000001-270999999) ENGINE, ROTOR HOUSING AND SIDEPLATE ASSEMBLY. Wählen Sie das benötigte Ersatzteil aus der Ersatzteilliste Ihres Toro Gerätes aus und bestellen Sie einfach online. Viele Toro Ersatzteile halten wir ständig in unserem Lager für Sie bereit.






