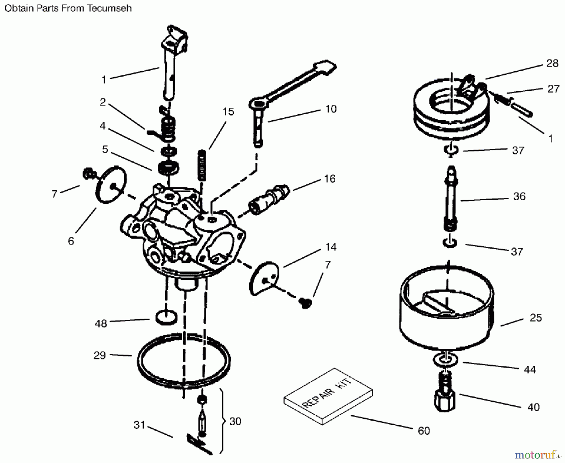
Toro 38172 - CCR Powerlite Snowthrower, 2000 (200000001-200999999) CARBURETOR NO. 640086 (MODEL NOS. 38172 & 38182 ONLY) Ersatzteile
CARBURETOR NO. 640086 (MODEL NOS. 38172 & 38182 ONLY) 38172 - Toro CCR Powerlite Snowthrower, 2000 (200000001-200999999)

Hier finden Sie die Ersatzteilzeichnung für Toro Neu Snow Blowers/Snow Throwers Seite 1 38172 - Toro CCR Powerlite Snowthrower, 2000 (200000001-200999999) CARBURETOR NO. 640086 (MODEL NOS. 38172 & 38182 ONLY). Wählen Sie das benötigte Ersatzteil aus der Ersatzteilliste Ihres Toro Gerätes aus und bestellen Sie einfach online. Viele Toro Ersatzteile halten wir ständig in unserem Lager für Sie bereit.





