Toro 38165 (S-620) - S-620 Snowthrower, 1987 (7000001-7999999) ENGINE TECUMSEH MODEL NO. AH-600 TYPE 1622-M Ersatzteile
ENGINE TECUMSEH MODEL NO. AH-600 TYPE 1622-M 38165 (S-620) - Toro S-620 Snowthrower, 1987 (7000001-7999999)

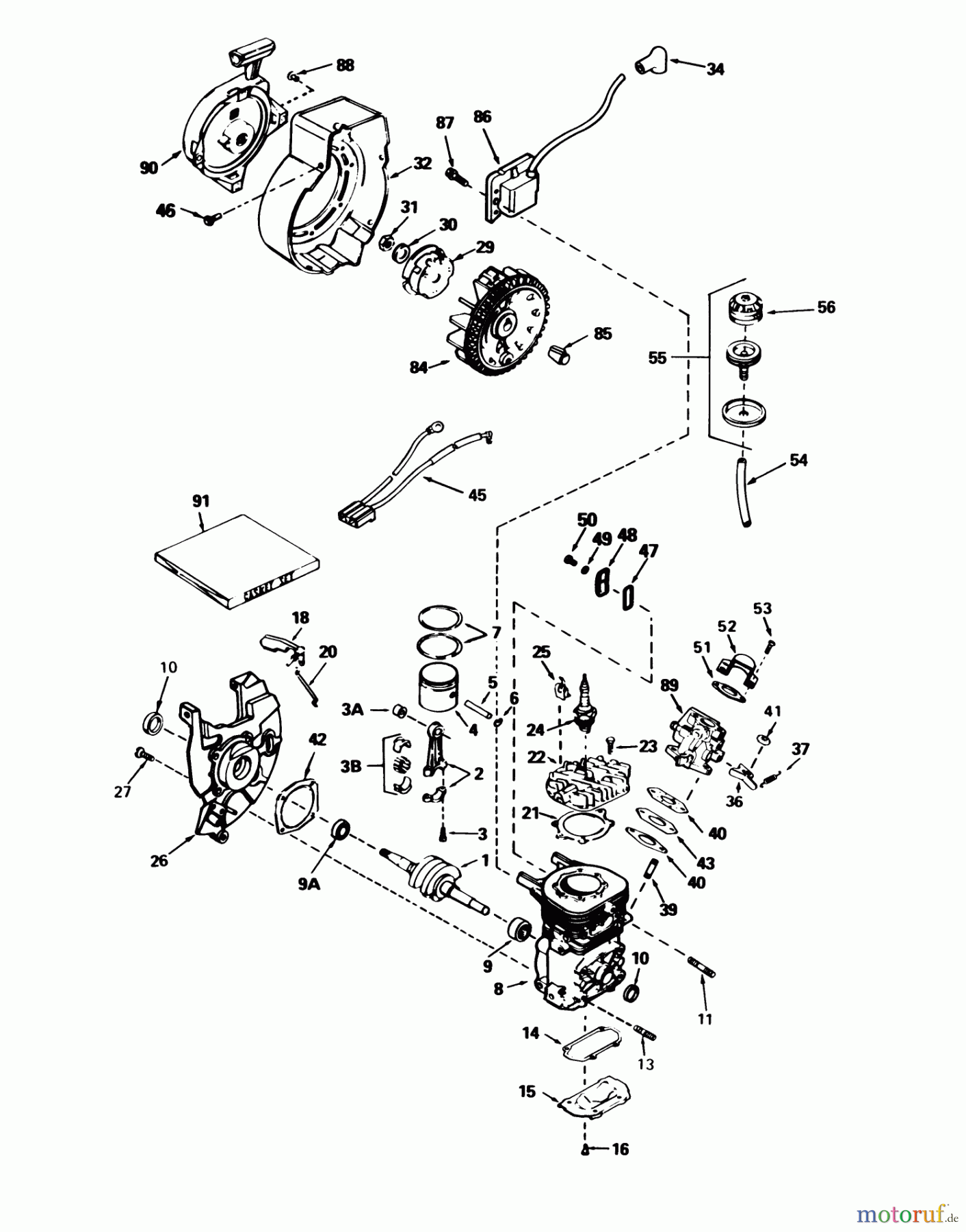
Hier finden Sie die Ersatzteilzeichnung für Toro Neu Snow Blowers/Snow Throwers Seite 1 38165 (S-620) - Toro S-620 Snowthrower, 1987 (7000001-7999999) ENGINE TECUMSEH MODEL NO. AH-600 TYPE 1622-M. Wählen Sie das benötigte Ersatzteil aus der Ersatzteilliste Ihres Toro Gerätes aus und bestellen Sie einfach online. Viele Toro Ersatzteile halten wir ständig in unserem Lager für Sie bereit.



