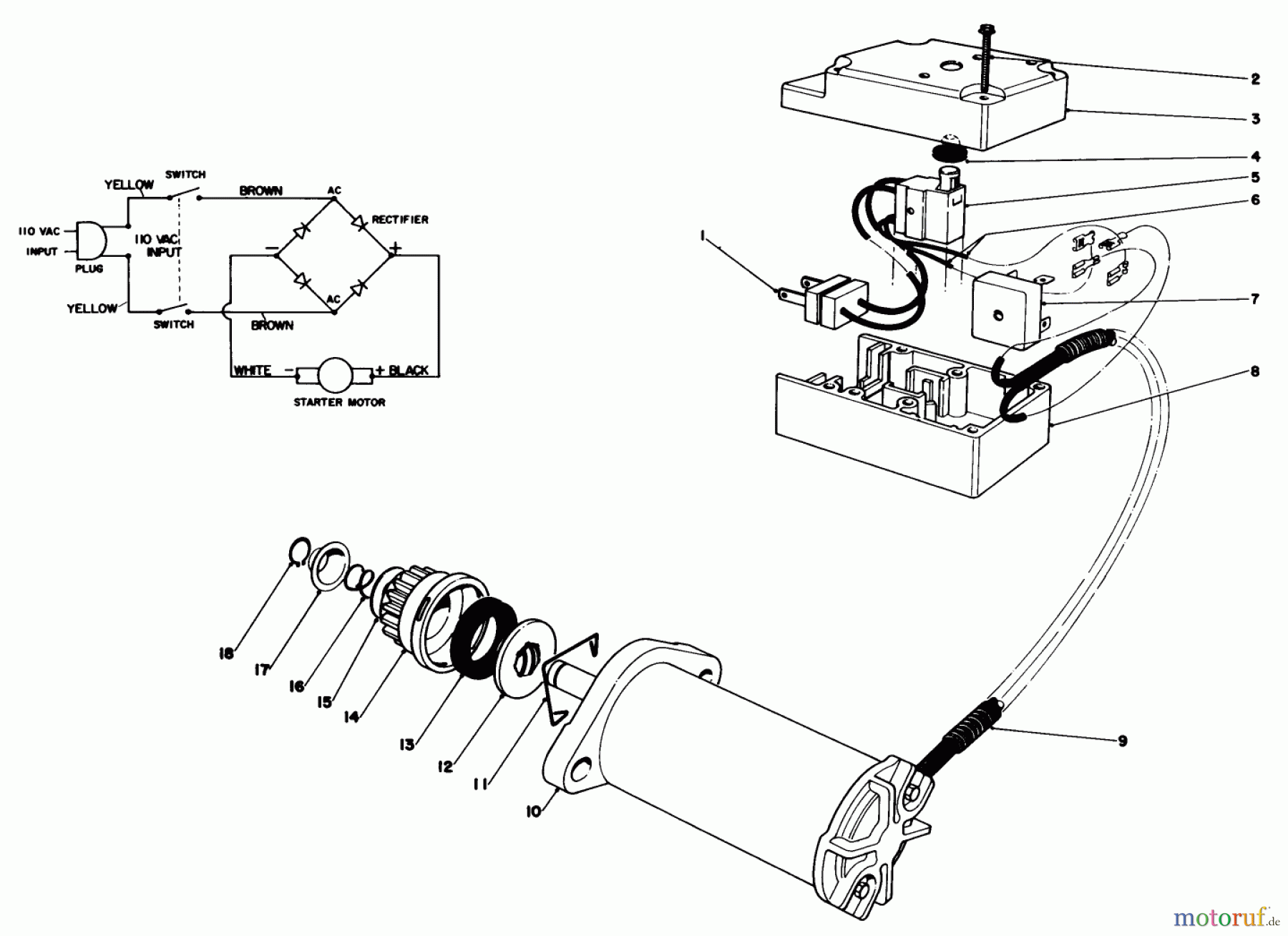
Toro 38162 (S-620) - S-620 Snowthrower, 1988 (8000001-8999999) STARTER MOTOR & SWITCH ASSEMBLY Ersatzteile
STARTER MOTOR & SWITCH ASSEMBLY 38162 (S-620) - Toro S-620 Snowthrower, 1988 (8000001-8999999)

Hier finden Sie die Ersatzteilzeichnung für Toro Neu Snow Blowers/Snow Throwers Seite 1 38162 (S-620) - Toro S-620 Snowthrower, 1988 (8000001-8999999) STARTER MOTOR & SWITCH ASSEMBLY. Wählen Sie das benötigte Ersatzteil aus der Ersatzteilliste Ihres Toro Gerätes aus und bestellen Sie einfach online. Viele Toro Ersatzteile halten wir ständig in unserem Lager für Sie bereit.


Qualitätsmanagement
Informieren Sie uns, wenn Sie einen Fehler gefunden haben.

