Toro 38160 (1132) - 1132 Snowthrower, 1985 (5000001-5999999) ENGINE BRIGGS & STRATTON MODEL NO. 252416-0677-01 #1 Ersatzteile
ENGINE BRIGGS & STRATTON MODEL NO. 252416-0677-01 #1 38160 (1132) - Toro 1132 Snowthrower, 1985 (5000001-5999999)

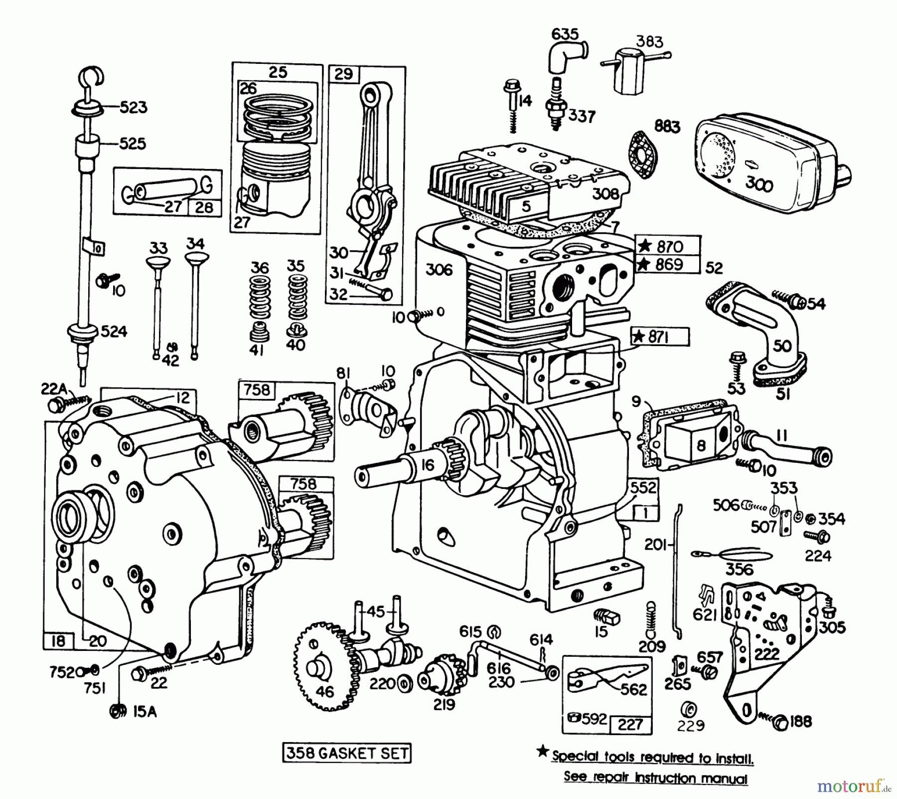
Hier finden Sie die Ersatzteilzeichnung für Toro Neu Snow Blowers/Snow Throwers Seite 1 38160 (1132) - Toro 1132 Snowthrower, 1985 (5000001-5999999) ENGINE BRIGGS & STRATTON MODEL NO. 252416-0677-01 #1. Wählen Sie das benötigte Ersatzteil aus der Ersatzteilliste Ihres Toro Gerätes aus und bestellen Sie einfach online. Viele Toro Ersatzteile halten wir ständig in unserem Lager für Sie bereit.



