Einstellungen Computer

Toro 38160 (1132) - 1132 Snowthrower, 1984 (4000001-4999999) TRACTION ASSEMBLY Ersatzteile

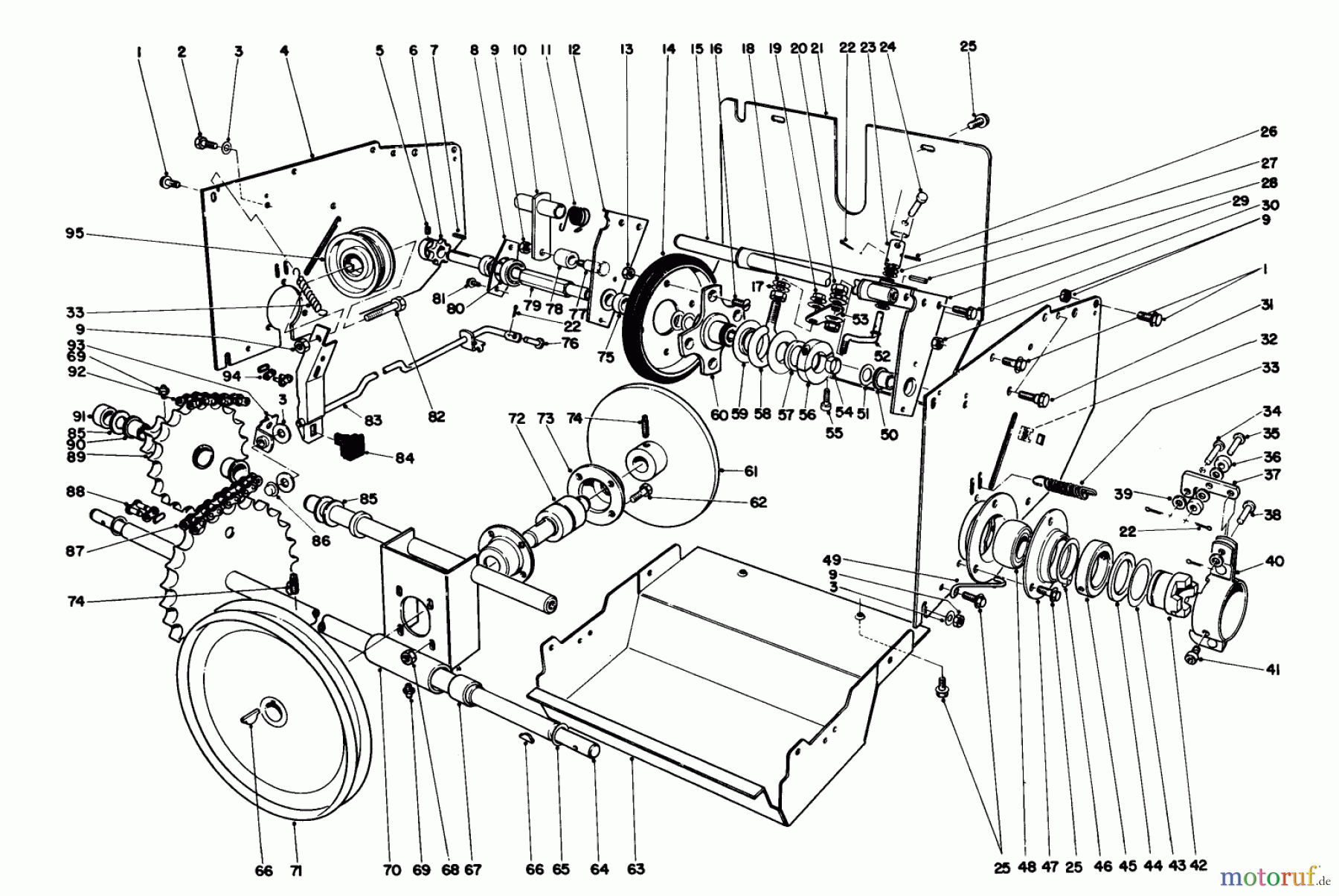
TRACTION ASSEMBLY 38160 (1132) - Toro 1132 Snowthrower, 1984 (4000001-4999999)

 Toro Neu Snow Blowers/Snow Throwers Seite 1 38160 (1132) - Toro 1132 Snowthrower, 1984 (4000001-4999999) TRACTION ASSEMBLY

Hier finden Sie die Ersatzteilzeichnung für Toro Neu Snow Blowers/Snow Throwers Seite 1 38160 (1132) - Toro 1132 Snowthrower, 1984 (4000001-4999999) TRACTION ASSEMBLY. Wählen Sie das benötigte Ersatzteil aus der Ersatzteilliste Ihres Toro Gerätes aus und bestellen Sie einfach online. Viele Toro Ersatzteile halten wir ständig in unserem Lager für Sie bereit.

BildNrArtikel NummerBezeichnung
1 TR323-6Schraube
2 TR32144-15Schraube
3 TR3256-25Scheibe
4 TR22-7990DISCONTINUE
5 TR3245-32Schraube
6 TR5-9820Kettenrad
7 TR3-6168Keil
8 TR22-8950BEARING CUP
9 TR32146-232153-2
10 TR26-6470Kettenspanner
11 TR26-8950Feder
12 TR26-6070DISCONTINUED
13 TR32146-532153-3
14 TR40-8170Reibrad
15 TR11-8010FUEHRUNGSWELLE
16 TR32108-94Schraube
17 TR3256-45Scheibe
18 TR3290-301Federring
19 TR32128-12Mutter
20 TR32146-63296-6
21 TR8-7950Abdeckblech
22 TR3272-5Splint
23 TR11-8070Gabelbolzen
24 TR283-31DISCONTINUED
25 TR32144-10SCREW-HWH
26 TR32121-50PIN-SPRING
27 TR252-89Lagerscheibe
28 TR32121-11Stift
29 TR26-6330DISCONTINUED
30 TR32144-11Schraube
31 TR11-8140Schraube
32 TR3290-433Mutter
33 TR10-3890Feder
34 TR283-29Stift
35 TR283-17Stift
36 TR10-3910DISCONTINUED
37 TR20-1050Kupplungshebel
38 TR283-16Stift
39 Toro ScheibeTR3256-14Scheibe
40 TR20-2290Haltering
41 TR3274-42Innensechskantschraube
42 TR26-5990Kupplungsklaue
43 TR10-3980Scheibe
44 TR256-214THRUST BEARING
45 TR10-3860Haltering
46 TR32151-35Sicherung
47 TR57-8050BEARING KIT (STANDARD SLEEVE)
48 TR57-8280GASKET
49 TR41-8570Sicherung
50 TR256-219BUSHING
51 TR5-7570Scheibe
52 TR11-8090Gestaenge
53 TR33113-020SCREW-HH
54 TR11-3180Scheibe
55 TR3274-26SCREW-HSH
56 TR20-4610DISCONTINUED
57 TR252-71Scheibe
58 TR78-1790CABLE-STOP
59 TR11-8080Scheibe
60 TR20-3310DISCONTINUED
61 TR23-4970DISCONTINUED
62 TR322-3Schraube
63 TR11-7140Abdeckblech
64 TR26-5950Achse
65 TR3-0737Scheibe
66 TR3257-23KEY-WOODRUFF
67 TR256-232Buechse
68 TR32149-1Mutter
69 Toro SchmiernippelTR302-5Schmiernippel
70 TR25-5190DISCONTINUED
71 TR5-7410RIEMENSCHEIBE
72 TR23-4950Lagerwelle
73 TR10-0070HOUSING BEARING
74 TR3242-4Schraube
75 TR22-9190Scheibe
76 TR283-6Bolzen
77 TR7-0846Bolzen
78 TR26-8940Rolle
79 TR118940-01FOOTREST-WELDMENT
80 TR251-260Lager
81 TR12-3270Schraube
82 TR323-8SCREW-HH
83 TR8-9139DISCONTINUED
84 TR40-8140BREMSBELAG
85 TR3-8664Scheibe
86 TR3290-38393-3236
87 TR23-7260ROLLER CHAIN
88 TR2710-11Kettenschloss
89 TR8-8709Kettenrad
90 TR256-215DISCONTINUED
91 TR23-7250Abstandsbuechse
92 TR5-9430Kette
93 TR20-2940GESTAENGEHALTER
94 TR2710-6Kettenschloss
95 TR3-4244Riemenscheibe
TR8-8499DISCONTINUED
Rasen
Bankeinzug, MasterCard, Visa, American Express, PayPal, Nachnahme, Vorauskasse, Sofortüberweisung
Datenschutzerklärung Impressum
Qualitätsmanagement
Informieren Sie uns, wenn Sie einen Fehler gefunden haben.