Toro 38160 (1132) - 1132 Snowthrower, 1981 (1000001-1999999) ENGINE 190402 TYPE 0989-01 (8 H.P. SNOWTHROOWER MODEL 38150) Ersatzteile
ENGINE 190402 TYPE 0989-01 (8 H.P. SNOWTHROOWER MODEL 38150) 38160 (1132) - Toro 1132 Snowthrower, 1981 (1000001-1999999)

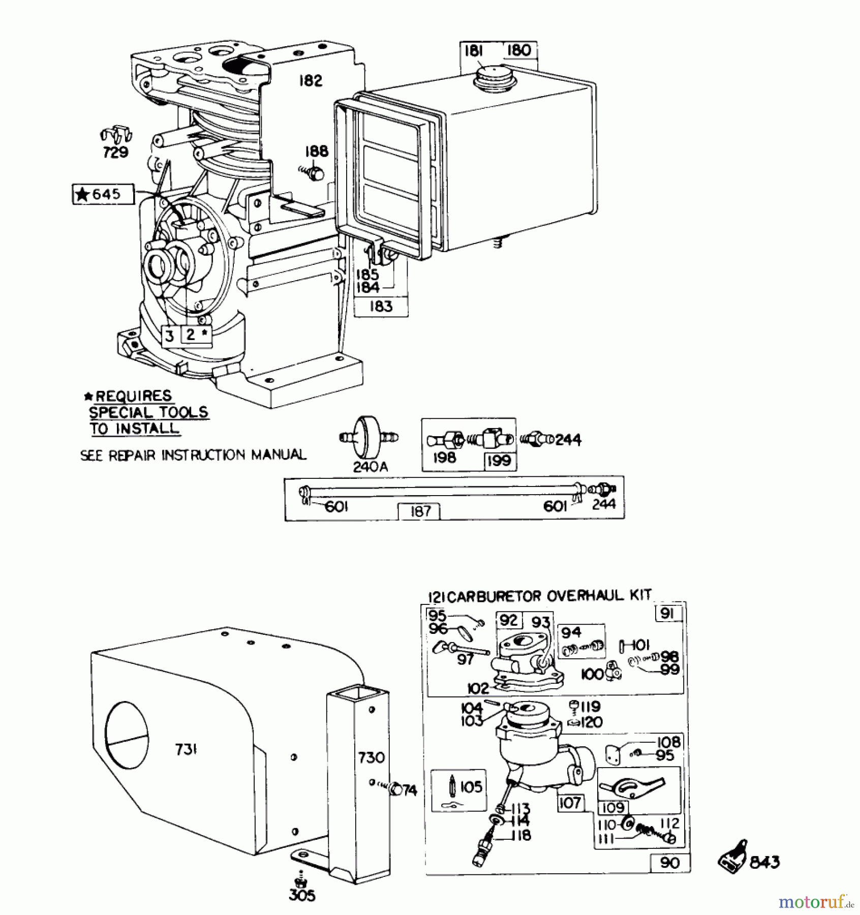
Hier finden Sie die Ersatzteilzeichnung für Toro Neu Snow Blowers/Snow Throwers Seite 1 38160 (1132) - Toro 1132 Snowthrower, 1981 (1000001-1999999) ENGINE 190402 TYPE 0989-01 (8 H.P. SNOWTHROOWER MODEL 38150). Wählen Sie das benötigte Ersatzteil aus der Ersatzteilliste Ihres Toro Gerätes aus und bestellen Sie einfach online. Viele Toro Ersatzteile halten wir ständig in unserem Lager für Sie bereit.
| BildNr | Artikel Nummer | Bezeichnung | |
| 2 | BS295962 | ZYLINDERBUECHSE | |
| 3 | BS294606 | SIEHE 294606S | |
| 91 | BS390404 | VERG.GEH.OBERT.390503 | |
| 92 | BS390503 | VERWEIS ZU | |
| 93 | BS23108 | ||
| 94 | BS292681 | SCHRAUBE 23228 | |
| 95 | BS93499 | ||
| 96 | BS62940 | ||
| 97 | BS298826 | WELLE | |
| 98 | BS91920 | ||
| 100 | BS61967 | ||
| 101 | BS93043 | ||
| 102 | BS27918 | VERG.GEHAEUSEDICHTUNG | |
| 103 | BS99333 | SCHWIMMER | |
| 104 | BS230896 | VERWEIS ZU | |
| 105 | BS299096 | VERWEIS ZU | |
| 107 | BS391909 | VERGASERUNTERTEIL | |
| 108 | BS62872 | STARTERKLAPPE | |
| 109 | BS391888 | WELLE | |
| 110 | BS62899 | ||
| 111 | BS26155 | ||
| 112 | BS23123 | ||
| 113 | BS390395 | DUESE 297978 | |
| 114 | BS68667 | ||
| 118 | BS99525 | ||
| 119 | BS90746 | ||
| 120 | BS92290 | ||
| 121 | BS295938 | ||
| 180 | BS290816 | BENZINTANK | |
| 181 | BS297866 | VERWEIS ZU | |
| 182 | BS221935 | TANKHALTER | |
| 183 | BS291367 | TANKBAND | |
| 184 | BS91257 | SCHRAUBE 93031,93360 | |
| 185 | BS90970 | ||
| 187 | BS391498 | BENZINLEITUNG 294965 | |
| 188 | BS93935 | ||
| 198 | BS293934 | VERWEIS ZU | |
| 199 | BS297563 | SIEHE 692302 | |
| 240A | BS298090 | VERWEIS ZU | |
| 244 | BS230318 | VERWEIS ZU | |
| 305 | BS93158 | ||
| 601 | BS93053 | SCHLAUCHKLEMME | |
| 729 | BS221907 | KLAMMER | |
| 730 | BS299384 | ROHR | |
| 731 | BS299391 | VERWEIS-NR. 492291 | |
| 843 | BS280147 | HEBEL | |


Qualitätsmanagement
Informieren Sie uns, wenn Sie einen Fehler gefunden haben.

