Toro 38160 (1132) - 1132 Snowthrower, 1980 (0000001-0999999) ENGINE MODEL NO. 190402 TYPE 0989-01 (8 H.P. SNOWTHROWER MODEL 3BRIGGS & STRATTON #2 Ersatzteile
ENGINE MODEL NO. 190402 TYPE 0989-01 (8 H.P. SNOWTHROWER MODEL 3BRIGGS & STRATTON #2 38160 (1132) - Toro 1132 Snowthrower, 1980 (0000001-0999999)

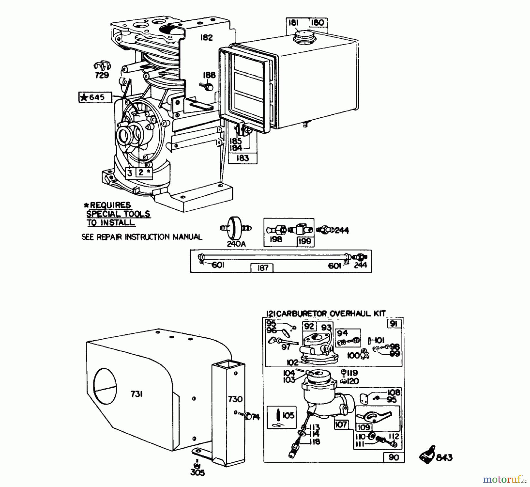
Hier finden Sie die Ersatzteilzeichnung für Toro Neu Snow Blowers/Snow Throwers Seite 1 38160 (1132) - Toro 1132 Snowthrower, 1980 (0000001-0999999) ENGINE MODEL NO. 190402 TYPE 0989-01 (8 H.P. SNOWTHROWER MODEL 3BRIGGS & STRATTON #2. Wählen Sie das benötigte Ersatzteil aus der Ersatzteilliste Ihres Toro Gerätes aus und bestellen Sie einfach online. Viele Toro Ersatzteile halten wir ständig in unserem Lager für Sie bereit.
| BildNr | Artikel Nummer | Bezeichnung | |
| 2 | BS295962 | ZYLINDERBUECHSE | |
| 3 | BS294606 | SIEHE 294606S | |
| 74 | BS93042 | ||
| 90 | BS391889 | VERGASER | |
| 91 | BS390404 | VERG.GEH.OBERT.390503 | |
| 92 | BS390503 | VERWEIS ZU | |
| 93 | BS23108 | ||
| 94 | BS292681 | SCHRAUBE 23228 | |
| 95 | BS93499 | ||
| 96 | BS62940 | ||
| 97 | BS298826 | WELLE | |
| 98 | BS91920 | ||
| 99 | BS26157 | ||
| 100 | BS61967 | ||
| 101 | BS93043 | ||
| 102 | BS27918 | VERG.GEHAEUSEDICHTUNG | |
| 103 | BS99333 | SCHWIMMER | |
| 104 | BS230896 | VERWEIS ZU | |
| 105 | BS299096 | VERWEIS ZU | |
| 107 | BS391909 | VERGASERUNTERTEIL | |
| 108 | BS62872 | STARTERKLAPPE | |
| 109 | BS391888 | WELLE | |
| 110 | BS62899 | ||
| 111 | BS26155 | ||
| 112 | BS23123 | ||
| 113 | BS390395 | DUESE 297978 | |
| 114 | BS68667 | ||
| 118 | BS99525 | ||
| 119 | BS90746 | ||
| 120 | BS92290 | ||
| 121 | BS295938 | ||
| 180 | BS290816 | BENZINTANK | |
| 181 | BS297866 | VERWEIS ZU | |
| 182 | BS221935 | TANKHALTER | |
| 183 | BS291367 | TANKBAND | |
| 184 | BS91257 | SCHRAUBE 93031,93360 | |
| 185 | BS90970 | ||
| 187 | BS391498 | BENZINLEITUNG 294965 | |
| 188 | BS93535 | ||
| 198 | BS293934 | VERWEIS ZU | |
| 199 | BS297563 | SIEHE 692302 | |
| 240A | BS298090 | VERWEIS ZU | |
| 244 | BS230318 | VERWEIS ZU | |
| 305 | BS93158 | ||
| 601 | BS93053 | SCHLAUCHKLEMME | |
| 729 | BS221907 | KLAMMER | |
| 730 | BS299384 | ROHR | |
| 731 | BS299391 | VERWEIS-NR. 492291 | |
| 843 | BS280147 | HEBEL | |



