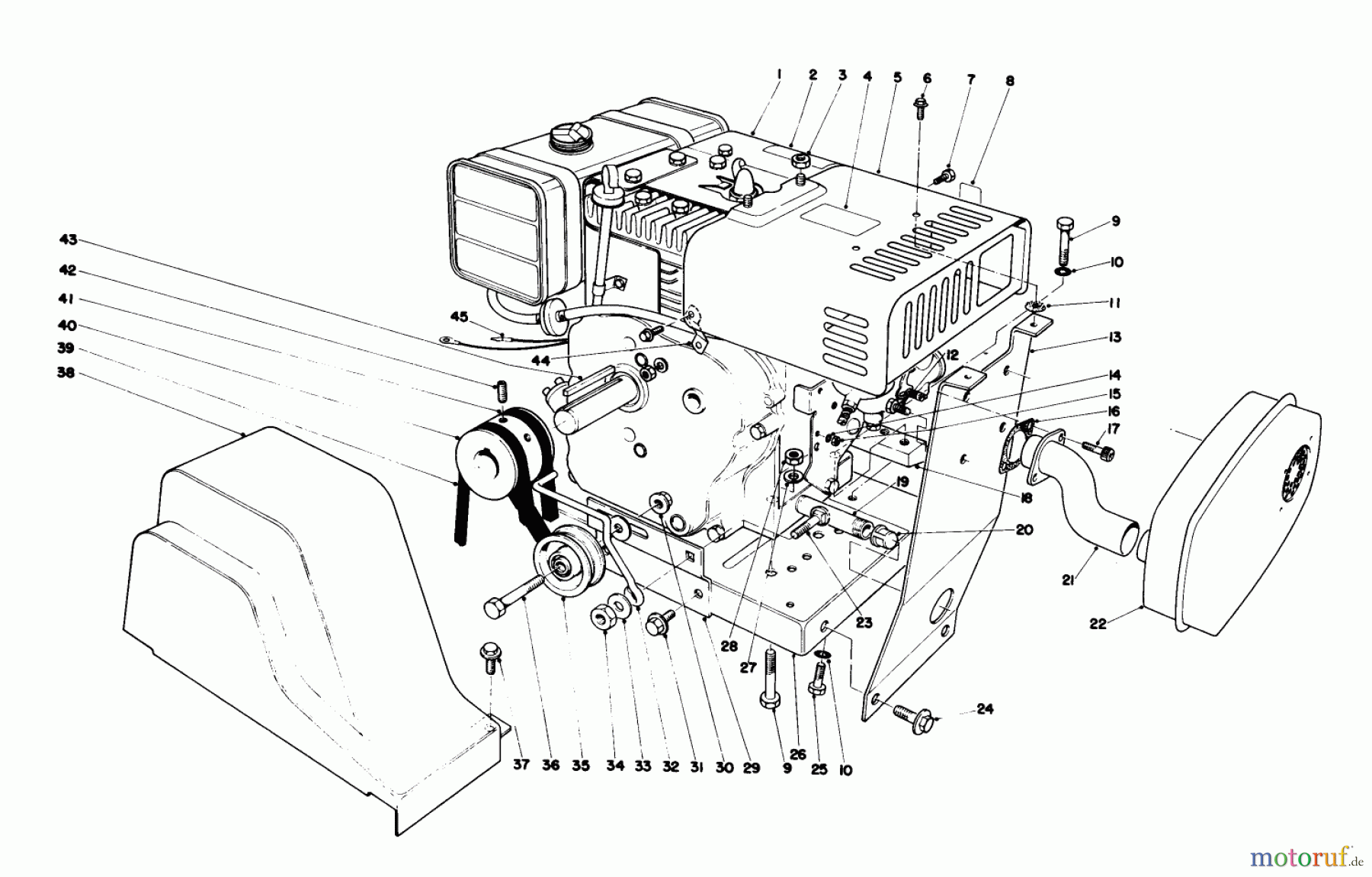
Toro 38160 (1132) - 1132 Snowthrower, 1980 (0000001-0999999) ENGINE ASSEMBLY (MODEL 38160) Ersatzteile
ENGINE ASSEMBLY (MODEL 38160) 38160 (1132) - Toro 1132 Snowthrower, 1980 (0000001-0999999)

Hier finden Sie die Ersatzteilzeichnung für Toro Neu Snow Blowers/Snow Throwers Seite 1 38160 (1132) - Toro 1132 Snowthrower, 1980 (0000001-0999999) ENGINE ASSEMBLY (MODEL 38160). Wählen Sie das benötigte Ersatzteil aus der Ersatzteilliste Ihres Toro Gerätes aus und bestellen Sie einfach online. Viele Toro Ersatzteile halten wir ständig in unserem Lager für Sie bereit.


Qualitätsmanagement
Informieren Sie uns, wenn Sie einen Fehler gefunden haben.



