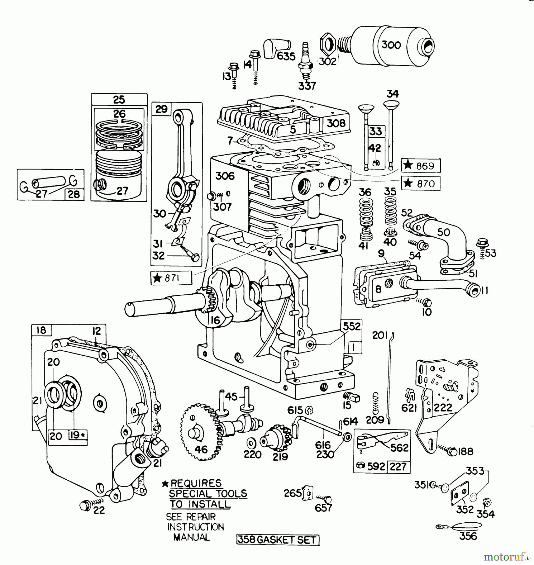
Toro 38155 (826) - 826 Snowthrower, 1983 (3000001-3999999) ENGINE BRIGGS & STRATTON MODEL NO. 190402 TYPE 0989-01 #1 Ersatzteile
ENGINE BRIGGS & STRATTON MODEL NO. 190402 TYPE 0989-01 #1 38155 (826) - Toro 826 Snowthrower, 1983 (3000001-3999999)

Hier finden Sie die Ersatzteilzeichnung für Toro Neu Snow Blowers/Snow Throwers Seite 1 38155 (826) - Toro 826 Snowthrower, 1983 (3000001-3999999) ENGINE BRIGGS & STRATTON MODEL NO. 190402 TYPE 0989-01 #1. Wählen Sie das benötigte Ersatzteil aus der Ersatzteilliste Ihres Toro Gerätes aus und bestellen Sie einfach online. Viele Toro Ersatzteile halten wir ständig in unserem Lager für Sie bereit.



