Einstellungen Computer

Toro 38155 (826) - 826 Snowthrower, 1980 (0000001-0999999) ENGINE BRIGGS & STRATTON MODEL NO. 190402 TYPE 0989-01 #1 Ersatzteile

ENGINE BRIGGS & STRATTON MODEL NO. 190402 TYPE 0989-01 #1 38155 (826) - Toro 826 Snowthrower, 1980 (0000001-0999999)

 Toro Neu Snow Blowers/Snow Throwers Seite 1 38155 (826) - Toro 826 Snowthrower, 1980 (0000001-0999999) ENGINE BRIGGS & STRATTON MODEL NO. 190402 TYPE 0989-01 #1

Hier finden Sie die Ersatzteilzeichnung für Toro Neu Snow Blowers/Snow Throwers Seite 1 38155 (826) - Toro 826 Snowthrower, 1980 (0000001-0999999) ENGINE BRIGGS & STRATTON MODEL NO. 190402 TYPE 0989-01 #1. Wählen Sie das benötigte Ersatzteil aus der Ersatzteilliste Ihres Toro Gerätes aus und bestellen Sie einfach online. Viele Toro Ersatzteile halten wir ständig in unserem Lager für Sie bereit.

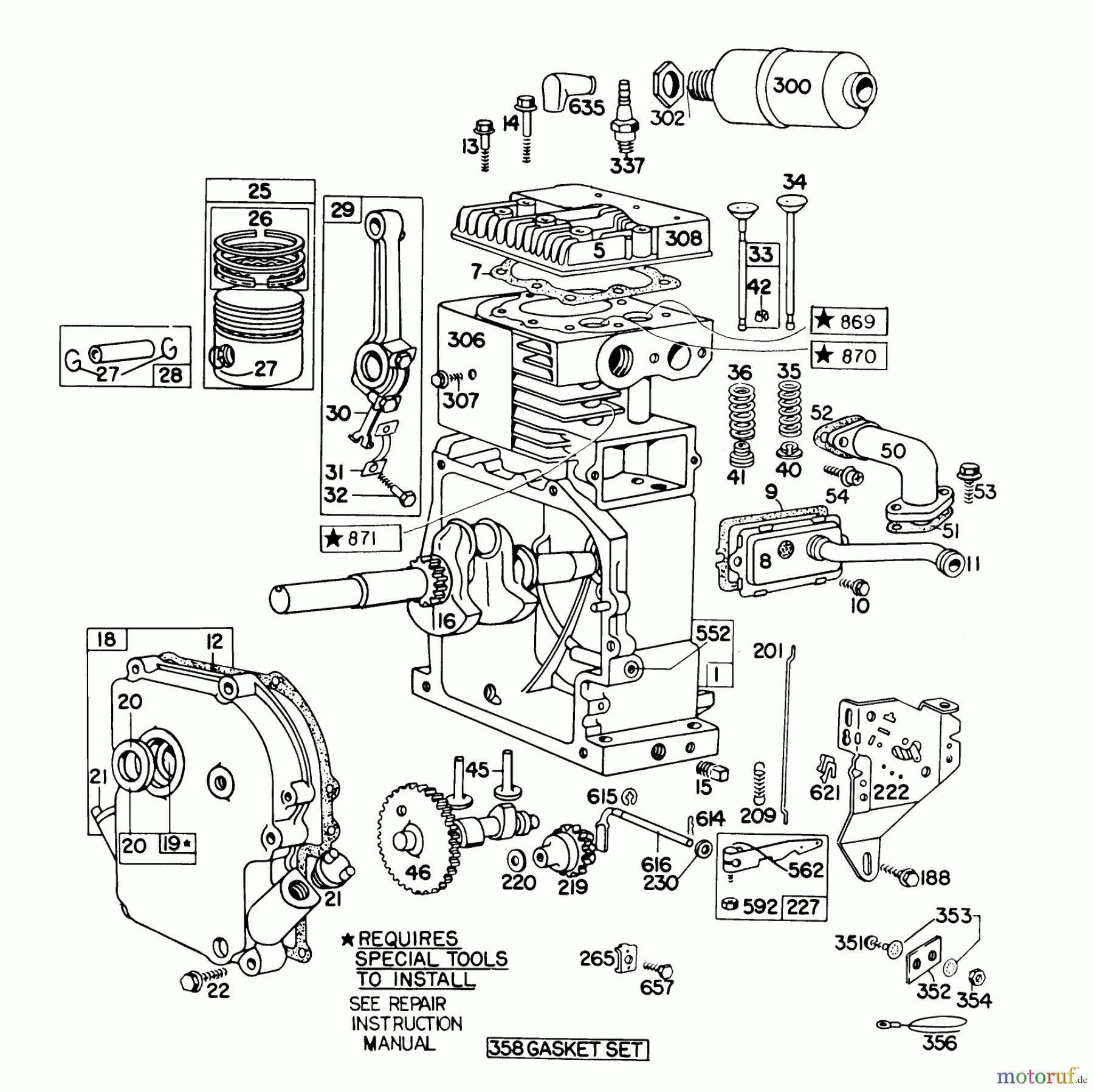
BildNrArtikel NummerBezeichnung
1 BS392001VERWEIS ZU
5 BS211778VERWEIS-NR. 214278
12 BSEingangswelle UE 600
8 BS390321VERWEIS ZU
12 BSEingangswelle UE 600
10 BS93536
11 BS67068ENTLUEFTUNGSROHR
12 BSEingangswelle UE 600
BS27876KURBELGEH.-DICHTUNG
BS27877KURBELGEH.-DICHTUNG
13 BS93113
14 BS93211
15 BS91084
16 BS261077VERWEIS ZU
18 BS299167VERWEIS ZU
19 BS295964BUECHSE
20 BS298423WELLENDICHTRING
21 BS66768
22 BS93585
25 BS391673VERWEIS ZU
BS391674VERWEIS ZU
BS391675VERWEIS ZU
BS391676VERWEIS ZU
26 BS391669VERWEIS ZU
BS391670VERWEIS ZU
BS391671VERWEIS ZU
BS391672VERWEIS ZU
27 BS68546
28 BS295840VERWEIS ZU
BS295841KOLBENBOLZEN 005 (I)
29 BS390401PLEUEL
30 BS222113VERWEIS ZU
31 BS222114PLEUELSICHERUNG
32 BS92659
33 BS390419VERWEIS ZU
34 BS261055VERWEIS ZU
35 BS65906
36 BS26828
40 BS221596VERWEIS ZU
41 BS292260VERWEIS ZU
42 BS93630
45 BS260933VERWEIS ZU
50 BS211812VERWEIS ZU
51 BS270684DICHTUNG
52 BS27828
53 BS93128
54 BS93208SCHRAUBE
188 BS93535
201 BS260872GESTAENGE
209 BS261126VERWEIS ZU
219 BS391737REGLERZAHNRAD
220 BS221551VERWEIS ZU
222 BS390670REGLERPLATTE
227 BS391965VERWEIS ZU
230 BS222450VERWEIS ZU
265 BS221535VERWEIS ZU
300 BS393010VERWEIS ZU
302 BS91242
306 BS221898VERWEIS ZU
307 BS93163
308 BS221901ZYLINDERKOPFDECKEL
337 BS293918VERWEIS-NR. 802592
351 BS90200SCHRAUBE
352 BS66895ISOLATOR
353 BS92791
354 BS90576
356 BS299500VERWEIS ZU
358 BS299577DICHTUNGSSATZ
552 BS231056VERWEIS-NR. 491893
562 BS92613BOLZEN
592 BS231082MUTTER
614 BS93306
615 BS93307HALTER
616 BS231057VERWEIS ZU
621 BS297472VERWEIS ZU
635 BS66538
657 BS93496
870 BS211661VERWEIS ZU
871 BS230655BUECHSE 230881
Rasen
Bankeinzug, MasterCard, Visa, American Express, PayPal, Nachnahme, Vorauskasse, Sofortüberweisung
Datenschutzerklärung Impressum
Qualitätsmanagement
Informieren Sie uns, wenn Sie einen Fehler gefunden haben.