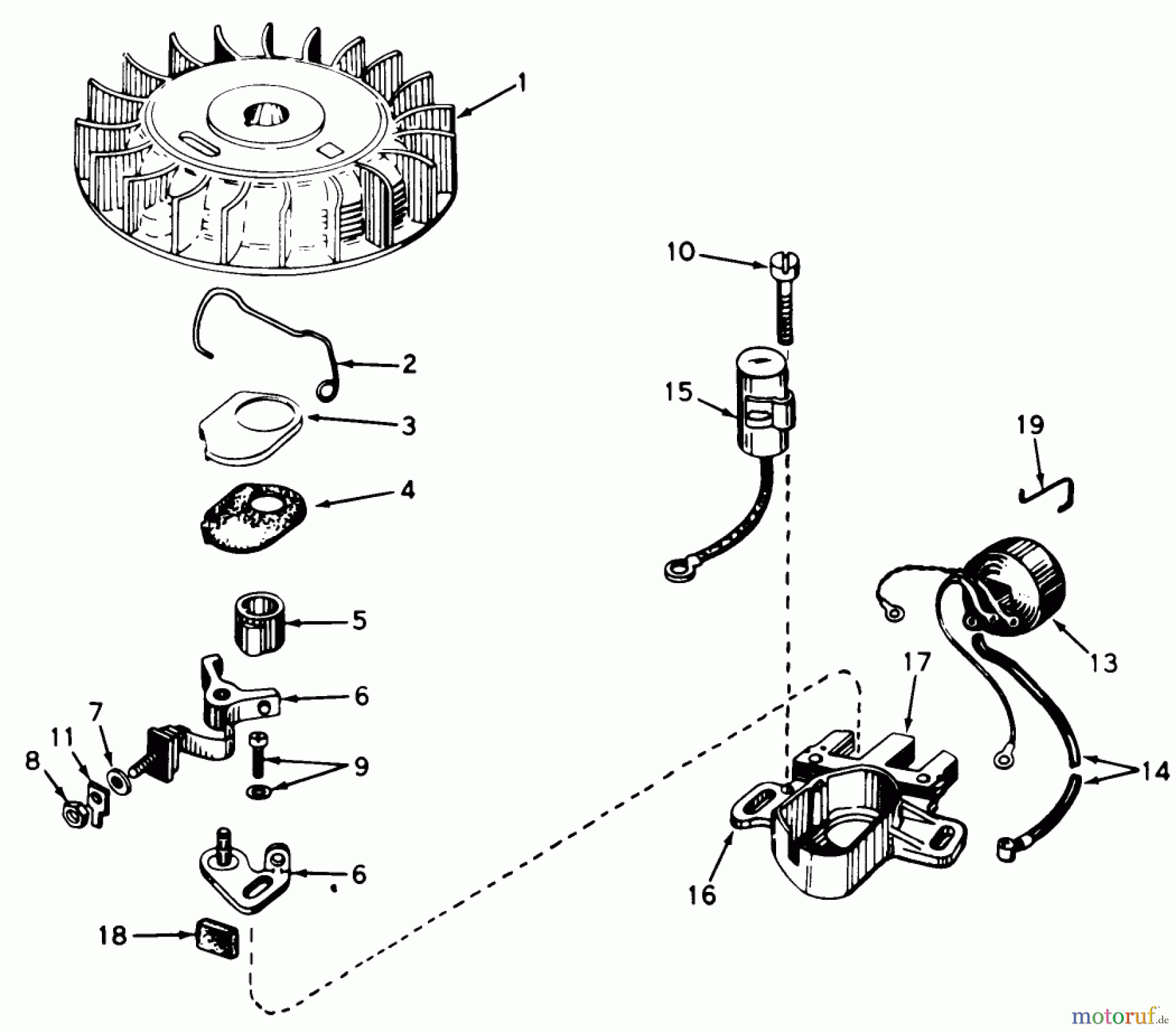
Toro 38120 (S-200) - S-200 Snowthrower, 1980 (0015001-0099999) MAGNETO NO. 610794A Ersatzteile
MAGNETO NO. 610794A 38120 (S-200) - Toro S-200 Snowthrower, 1980 (0015001-0099999)

Hier finden Sie die Ersatzteilzeichnung für Toro Neu Snow Blowers/Snow Throwers Seite 1 38120 (S-200) - Toro S-200 Snowthrower, 1980 (0015001-0099999) MAGNETO NO. 610794A. Wählen Sie das benötigte Ersatzteil aus der Ersatzteilliste Ihres Toro Gerätes aus und bestellen Sie einfach online. Viele Toro Ersatzteile halten wir ständig in unserem Lager für Sie bereit.


Qualitätsmanagement
Informieren Sie uns, wenn Sie einen Fehler gefunden haben.

