Toro 38116C (CR-20R) - CR-20 Snowthrower, 1987 (7000001-7999999) ENGINE TECUMSEH MODEL NO. AH-600 TYPE 1623-M (MODELS NO. 38115C & 38116C) Ersatzteile
ENGINE TECUMSEH MODEL NO. AH-600 TYPE 1623-M (MODELS NO. 38115C & 38116C) 38116C (CR-20R) - Toro CR-20 Snowthrower, 1987 (7000001-7999999)

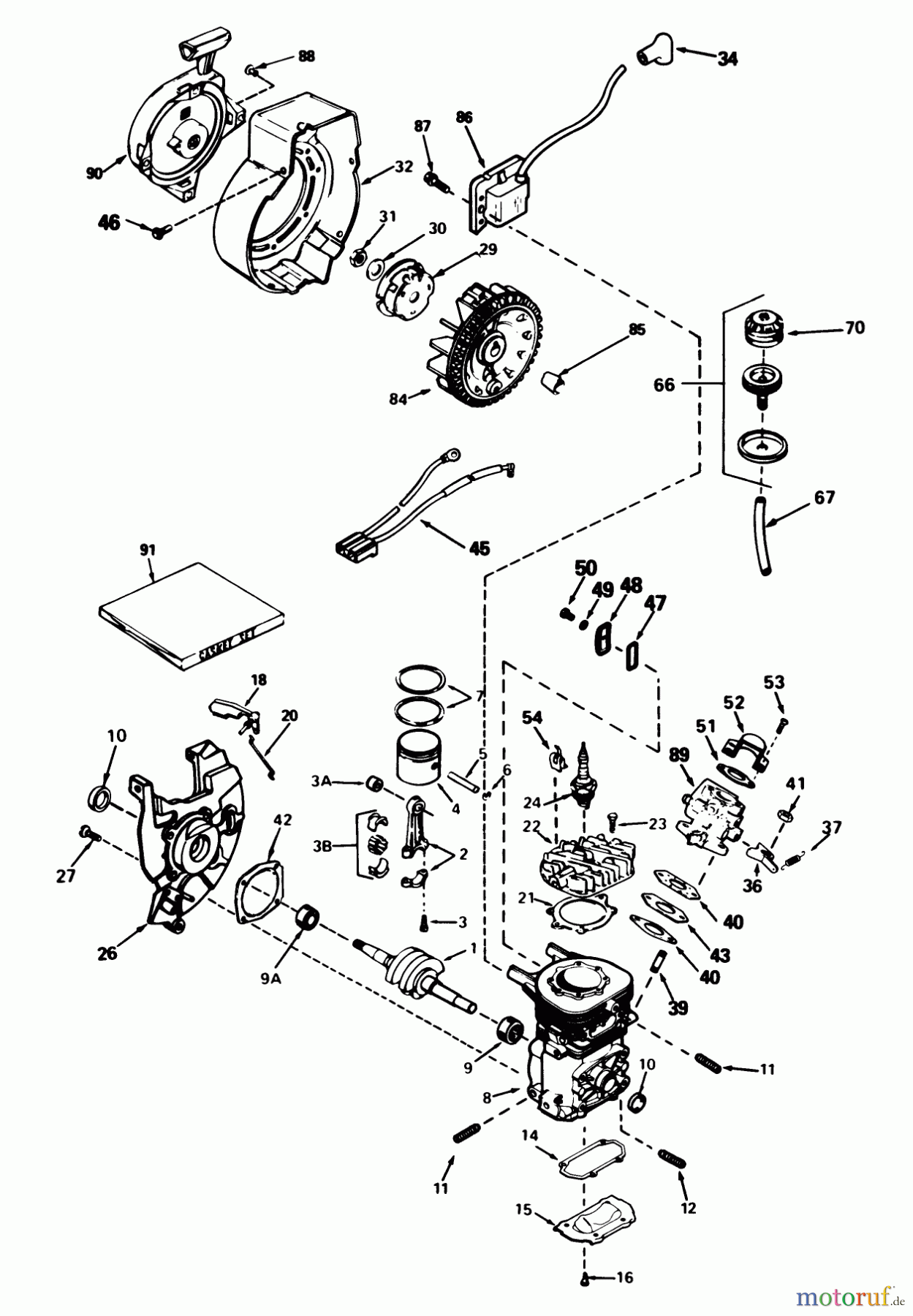
Hier finden Sie die Ersatzteilzeichnung für Toro Neu Snow Blowers/Snow Throwers Seite 1 38116C (CR-20R) - Toro CR-20 Snowthrower, 1987 (7000001-7999999) ENGINE TECUMSEH MODEL NO. AH-600 TYPE 1623-M (MODELS NO. 38115C & 38116C). Wählen Sie das benötigte Ersatzteil aus der Ersatzteilliste Ihres Toro Gerätes aus und bestellen Sie einfach online. Viele Toro Ersatzteile halten wir ständig in unserem Lager für Sie bereit.


Qualitätsmanagement
Informieren Sie uns, wenn Sie einen Fehler gefunden haben.

