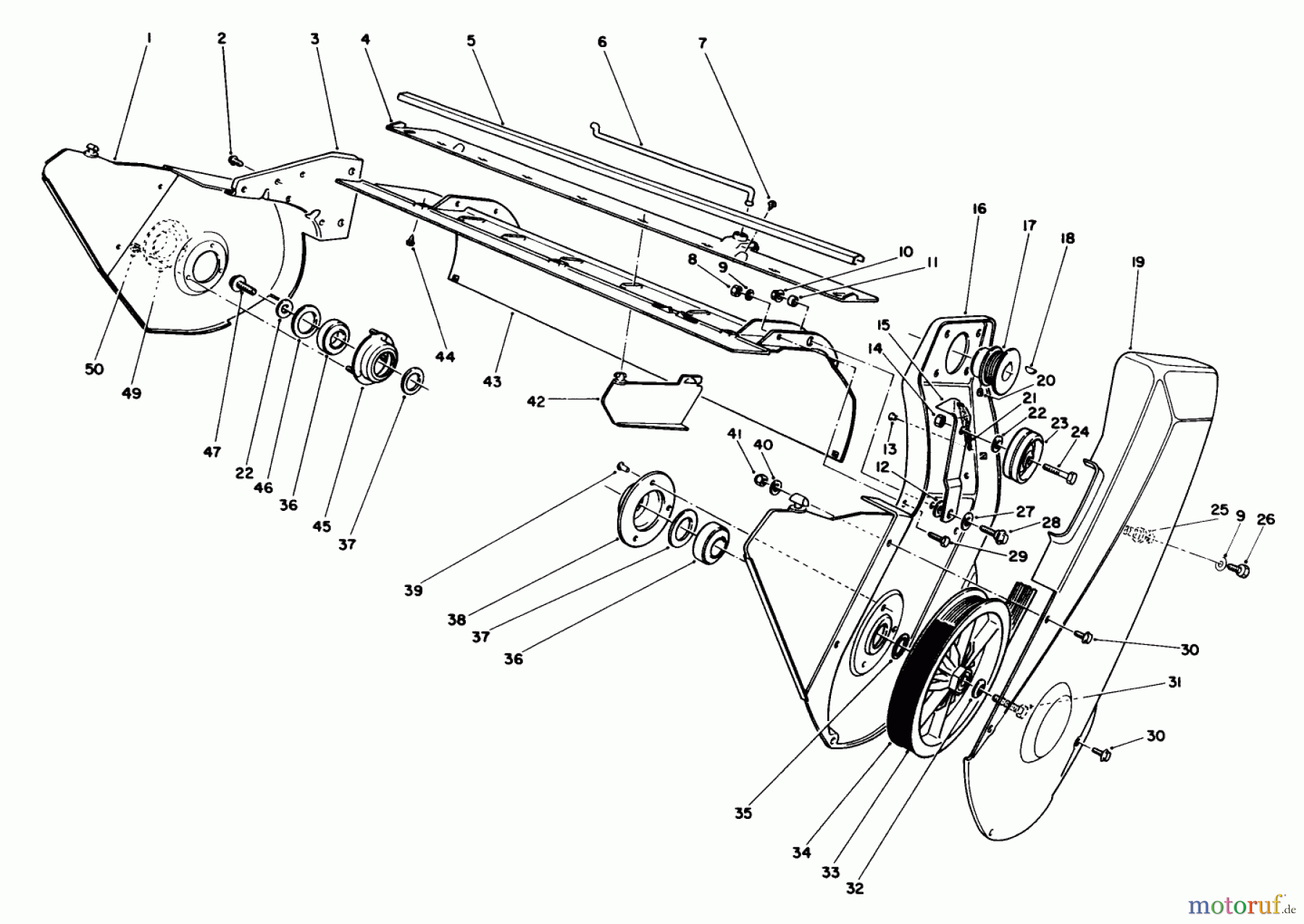
Toro 38116 (CR-20R) - CR-20 Snowthrower, 1989 (9000001-9999999) LOWER FRAME ASSEMBLY Ersatzteile
LOWER FRAME ASSEMBLY 38116 (CR-20R) - Toro CR-20 Snowthrower, 1989 (9000001-9999999)

Hier finden Sie die Ersatzteilzeichnung für Toro Neu Snow Blowers/Snow Throwers Seite 1 38116 (CR-20R) - Toro CR-20 Snowthrower, 1989 (9000001-9999999) LOWER FRAME ASSEMBLY. Wählen Sie das benötigte Ersatzteil aus der Ersatzteilliste Ihres Toro Gerätes aus und bestellen Sie einfach online. Viele Toro Ersatzteile halten wir ständig in unserem Lager für Sie bereit.








