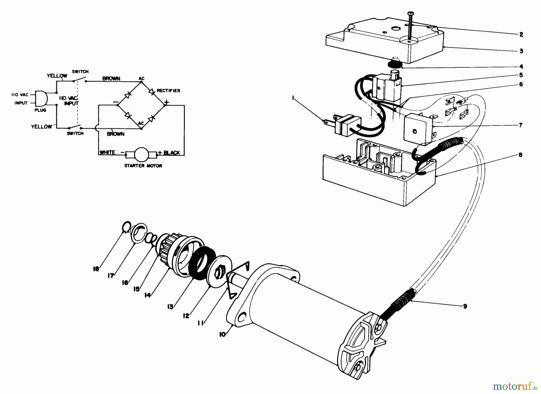
Toro 38116 (CR-20R) - CR-20 Snowthrower, 1988 (8000001-8999999) STARTER MOTOR & SWITCH ASSEMBLY Ersatzteile
STARTER MOTOR & SWITCH ASSEMBLY 38116 (CR-20R) - Toro CR-20 Snowthrower, 1988 (8000001-8999999)

Hier finden Sie die Ersatzteilzeichnung für Toro Neu Snow Blowers/Snow Throwers Seite 1 38116 (CR-20R) - Toro CR-20 Snowthrower, 1988 (8000001-8999999) STARTER MOTOR & SWITCH ASSEMBLY. Wählen Sie das benötigte Ersatzteil aus der Ersatzteilliste Ihres Toro Gerätes aus und bestellen Sie einfach online. Viele Toro Ersatzteile halten wir ständig in unserem Lager für Sie bereit.


Qualitätsmanagement
Informieren Sie uns, wenn Sie einen Fehler gefunden haben.

