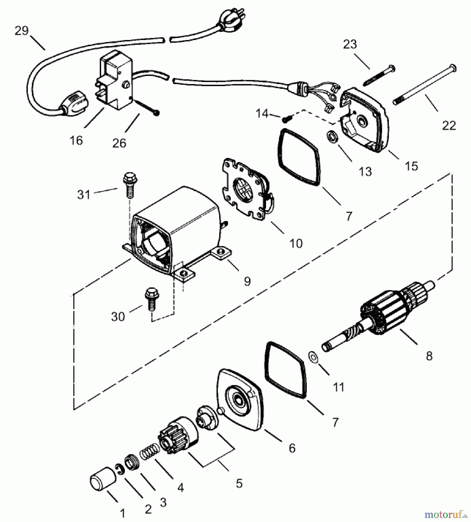
Toro 38087 (1332) - 1332 Power Shift Snowthrower, 2004 (240000001-240999999) ELECTRIC STARTER (110 VOLT) PART NO. 37105 Ersatzteile
ELECTRIC STARTER (110 VOLT) PART NO. 37105 38087 (1332) - Toro 1332 Power Shift Snowthrower, 2004 (240000001-240999999)

Hier finden Sie die Ersatzteilzeichnung für Toro Neu Snow Blowers/Snow Throwers Seite 1 38087 (1332) - Toro 1332 Power Shift Snowthrower, 2004 (240000001-240999999) ELECTRIC STARTER (110 VOLT) PART NO. 37105. Wählen Sie das benötigte Ersatzteil aus der Ersatzteilliste Ihres Toro Gerätes aus und bestellen Sie einfach online. Viele Toro Ersatzteile halten wir ständig in unserem Lager für Sie bereit.


Qualitätsmanagement
Informieren Sie uns, wenn Sie einen Fehler gefunden haben.

