Toro 38073 (724) - 724 Snowthrower, 1996 (6900001-6999999) TRACTION ASSEMBLY #2 Ersatzteile
TRACTION ASSEMBLY #2 38073 (724) - Toro 724 Snowthrower, 1996 (6900001-6999999)

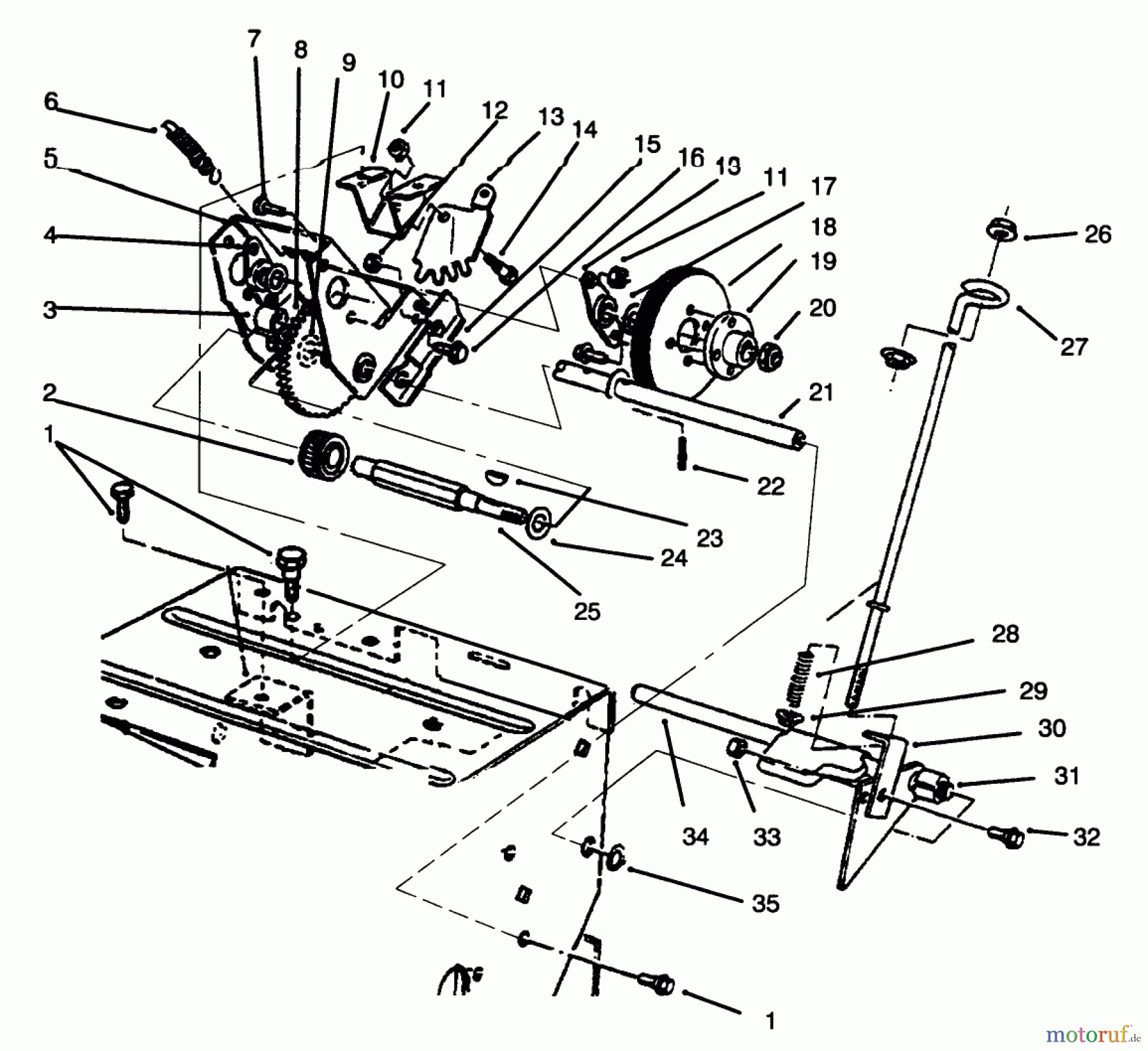
Hier finden Sie die Ersatzteilzeichnung für Toro Neu Snow Blowers/Snow Throwers Seite 1 38073 (724) - Toro 724 Snowthrower, 1996 (6900001-6999999) TRACTION ASSEMBLY #2. Wählen Sie das benötigte Ersatzteil aus der Ersatzteilliste Ihres Toro Gerätes aus und bestellen Sie einfach online. Viele Toro Ersatzteile halten wir ständig in unserem Lager für Sie bereit.


Qualitätsmanagement
Informieren Sie uns, wenn Sie einen Fehler gefunden haben.




