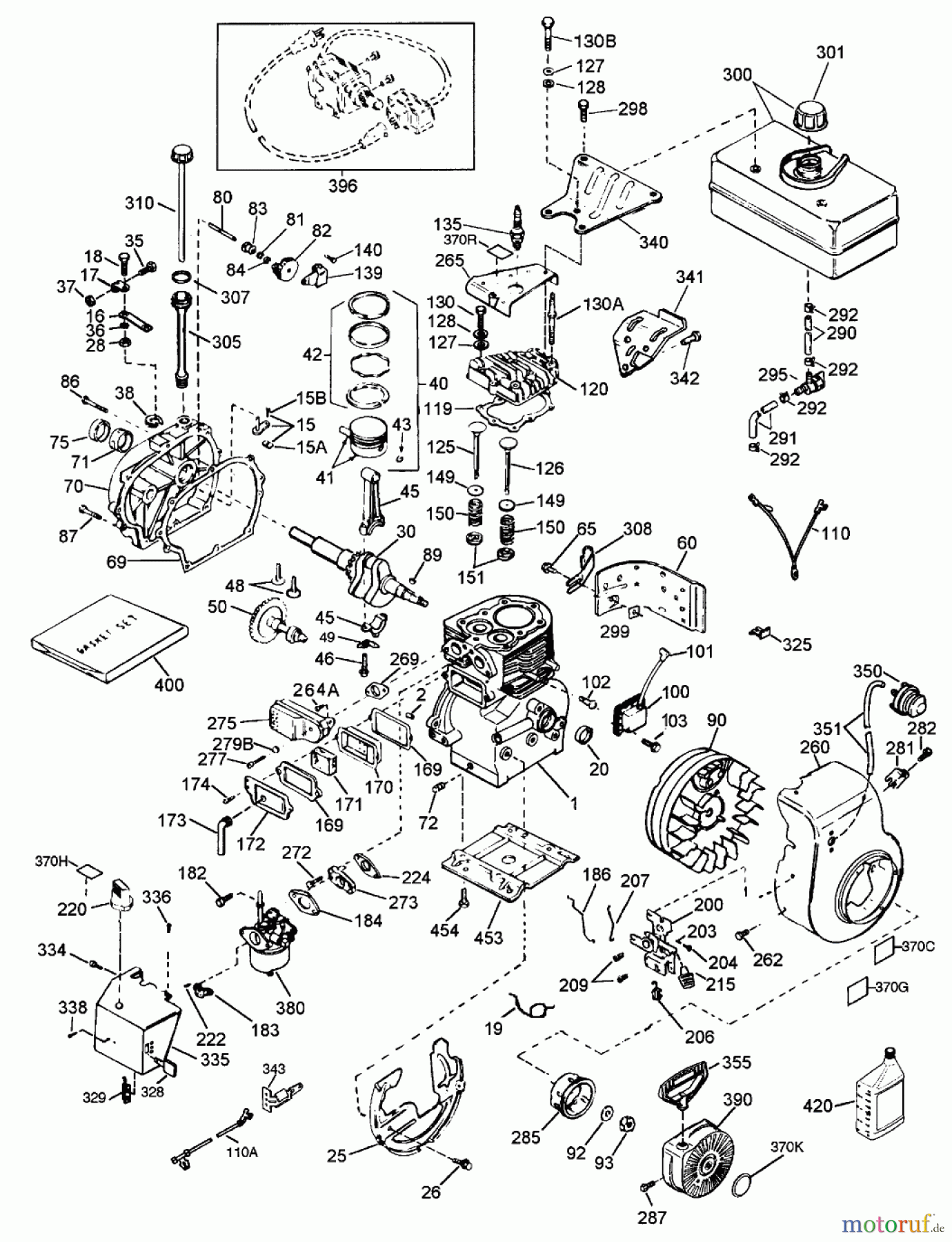
Toro 38072 (724) - 724 Snowthrower, 2000 (200000001-200999999) ENGINE TECUMSEH MODEL HSK70-130302U Ersatzteile
ENGINE TECUMSEH MODEL HSK70-130302U 38072 (724) - Toro 724 Snowthrower, 2000 (200000001-200999999)

Hier finden Sie die Ersatzteilzeichnung für Toro Neu Snow Blowers/Snow Throwers Seite 1 38072 (724) - Toro 724 Snowthrower, 2000 (200000001-200999999) ENGINE TECUMSEH MODEL HSK70-130302U. Wählen Sie das benötigte Ersatzteil aus der Ersatzteilliste Ihres Toro Gerätes aus und bestellen Sie einfach online. Viele Toro Ersatzteile halten wir ständig in unserem Lager für Sie bereit.




