Toro 38065 (624) - 624 Snowthrower, 1989 (9000001-9999999) ENGINE TECUMSEH MODEL NO. H60-75503W Ersatzteile
ENGINE TECUMSEH MODEL NO. H60-75503W 38065 (624) - Toro 624 Snowthrower, 1989 (9000001-9999999)

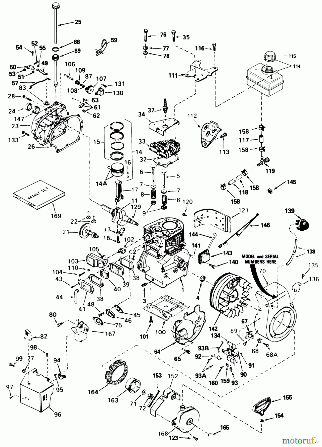
Hier finden Sie die Ersatzteilzeichnung für Toro Neu Snow Blowers/Snow Throwers Seite 1 38065 (624) - Toro 624 Snowthrower, 1989 (9000001-9999999) ENGINE TECUMSEH MODEL NO. H60-75503W. Wählen Sie das benötigte Ersatzteil aus der Ersatzteilliste Ihres Toro Gerätes aus und bestellen Sie einfach online. Viele Toro Ersatzteile halten wir ständig in unserem Lager für Sie bereit.


Qualitätsmanagement
Informieren Sie uns, wenn Sie einen Fehler gefunden haben.


