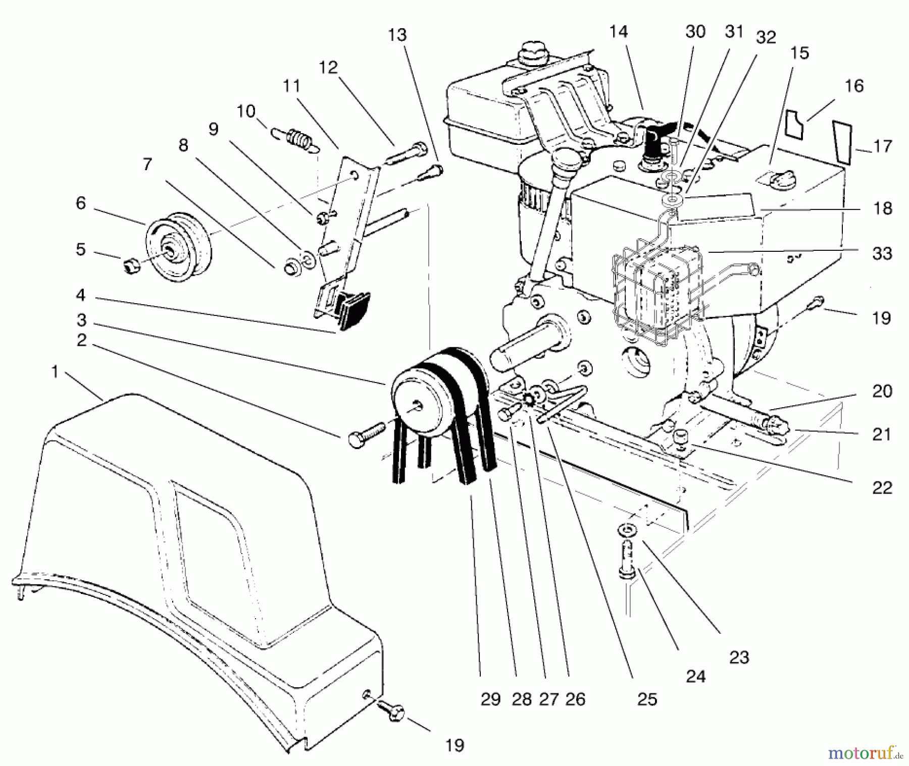
Toro 38063 (622) - 622 Snowthrower, 1998 (8900001-8999999) ENGINE ASSEMBLY Ersatzteile
ENGINE ASSEMBLY 38063 (622) - Toro 622 Snowthrower, 1998 (8900001-8999999)

Hier finden Sie die Ersatzteilzeichnung für Toro Neu Snow Blowers/Snow Throwers Seite 1 38063 (622) - Toro 622 Snowthrower, 1998 (8900001-8999999) ENGINE ASSEMBLY. Wählen Sie das benötigte Ersatzteil aus der Ersatzteilliste Ihres Toro Gerätes aus und bestellen Sie einfach online. Viele Toro Ersatzteile halten wir ständig in unserem Lager für Sie bereit.






