Einstellungen Computer

Toro 38056 (521) - 521 Snowthrower, 1991 (1000001-1999999) ENGINE TECUMSEH MODEL HS50-67259J Ersatzteile

ENGINE TECUMSEH MODEL HS50-67259J 38056 (521) - Toro 521 Snowthrower, 1991 (1000001-1999999)

 Toro Neu Snow Blowers/Snow Throwers Seite 1 38056 (521) - Toro 521 Snowthrower, 1991 (1000001-1999999) ENGINE TECUMSEH MODEL HS50-67259J

Hier finden Sie die Ersatzteilzeichnung für Toro Neu Snow Blowers/Snow Throwers Seite 1 38056 (521) - Toro 521 Snowthrower, 1991 (1000001-1999999) ENGINE TECUMSEH MODEL HS50-67259J. Wählen Sie das benötigte Ersatzteil aus der Ersatzteilliste Ihres Toro Gerätes aus und bestellen Sie einfach online. Viele Toro Ersatzteile halten wir ständig in unserem Lager für Sie bereit.

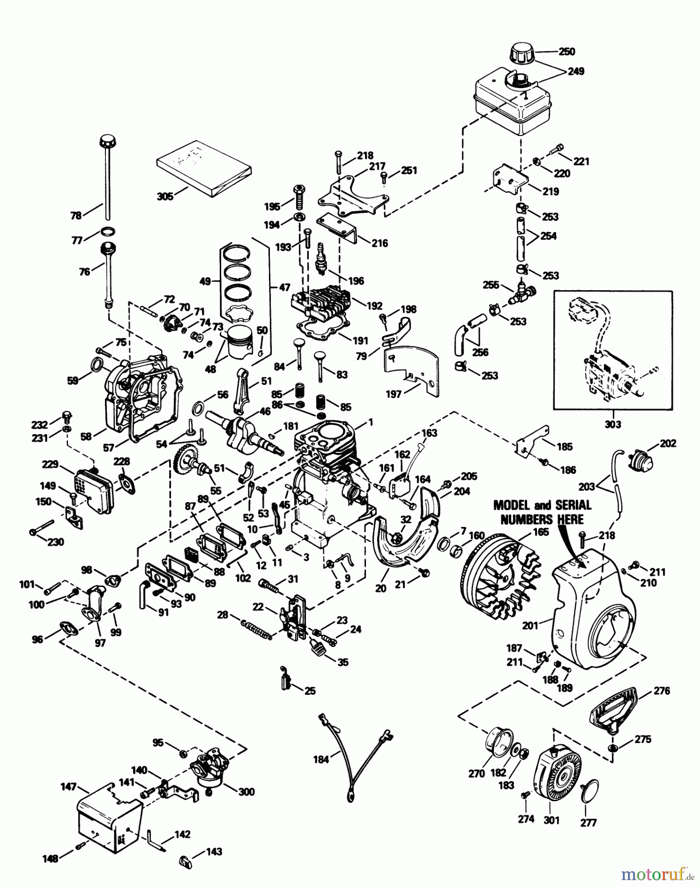
BildNrArtikel NummerBezeichnung
1 TC33674BZYLINDER
3 TC27642PIPE PLUG
7 TC32600SIMMERRING
8 TC28277WASHER
9 TC31334REGLERSTANGE
10 TC31510REGLERHEBEL
11 TC31335KLAMMER
12 TC650548SCREW
20 TC33342BAFFLE
21 TC650561SCHRAUBE
22 TC33858AUSE 00036677
23 TC31342FEDER
24 TC650549SCREW
25 TC610973TERMINAL
28 TC31426FEDER
31 TC650139SCHRAUBE
32 TC30322MUTTER
35 TC35440KNOPF
45 TC26727DOWEL PIN
46 TC34740KURBELWELLE
47 TC34535PISTON ASSY STD
47 TC34536KOLBEN KPL, UEB,0,25mm
47 TC34537KOLBEN KPL, UEB,0,50mm
48 TC33562BKOLBEN U, BOLZEN
48 TC33563BKOLBEN U, BOLZEN
48 TC33564BKOLBEN U, BOLZEN
49 TC33567RING SET STD
49 TC33568KOLBENRINGSATZ
49 TC33569KOLBENRINGSATZ
50 TC20381RET RING
51 TC32875USE 32875A
52 TC32654OELSCHLEUDER
53 TC32610ASCHRAUBE
54 TC27241VALVE LIFTER
55 TC37040NOCKENWELLE
56 TC32323SCHEIBE
57 TC27677AGASKET
58 TC34674CZYLINDERDECKEL
59 TC27897SIMMERRING
70 TC651080WASHER
71 Toro ZAHNRADTC30591ZAHNRAD
72 TC30574USE 30574A
74 TC29193SICHERUNGSRING
75 TC650488SCREW
76 TC35554EINFUELLROHR
77 TC35499O-RING
78 TC35556OELMESSTAB
79 TC35539KLEMME
83 TC29313CEXH VALVE STD
83 TC29315CPILOT FUER EIN- AUSLASSVENTIL
84 TC32644AEINLASSVENTIL
84 TC32645AEINLASSVENTIL
85 TC31672VENTILFEDER
86 TC31673VENTILTELLER
87 TC27666BREATHER
88 TC31410ELEMENT
89 TC27234AGASKET
90 TC34146DECKEL
91 TC35350ROHR
198 TC650128SCHRAUBE
95 TC29752NUT
96 TC26756DICHTUNG
97 TC33691EINLASSROHR
98 TC33673ADICHTUNG
99 TC6201SCHRAUBE
100 TC650870SCHRAUBE
101 TC650664SCREW
102 TC32698REGLERGELENK
140 TC34583BRACKET
141 TC651081SCHRAUBE
142 TC34582CHOKERHEBEL
143 TC35438KNOPF
147 TC35072BCARB COVER
148 TC650257SCREW
149 TC650735SCHRAUBE
150 TC33333BRACKET
160 TC34080DISTANZSTUECK
161 TC650872USE 651024
162 TC34443DLAMINATION
163 TC610118KERZENSTECKER
164 TC650814SCREW
165 TC611081USE 611081A
181 TC610961KEIL
182 TC650815WASHER
183 TC650863NUT
184 TC35557KURZSCHLUSSKABEL
185 TC34212HALTER
186 TC30200SCHRAUBE
187 TC34126HALTER
188 TC28545GROMMET
189 TC650760SCHRAUBE
191 TC33554AUSE 36443
192 TC37675CYL HEAD
193 Toro SCHRAUBETC6021ASCHRAUBE
194 TC650691SCHEIBE
195 TC650818SCREW
196 TC35395ZUENDKERZE
197 TC29745EXTENSION
198 TC650128SCHRAUBE
201 TC35656BLOWER HSG*
202 TC570682PRIMER
203 TC32180CPRIMERLEITUNG
204 TC33341EXTENSION
205 TC650701SCREW
275 TC650168SCHEIBE
211 TC29212SCHRAUBE
216 TC33344ABLENKBLECH
217 TC28371BUSE 00036247
218 TC650694ASCREW
219 TC34182TANKHALTER
221 TC650805SCREW
228 TC35865DICHTUNG
229 TC33697ASCHALLDAEMPFER
230 TC650327SCHRAUBE
231 TC8345SCHEIBE
232 TC30063SCHRAUBE
249 TC35584TANK
250 TC35355FUEL CAP
251 TC650665SCHRAUBE
253 TC26460CLAMP
254 TC29774KRAFTSTOFFLEITUNG
255 TC32961USE 35857
256 TC30705FUEL LINE
270 TC34694STARTERSCHALE
274 TC650884SCREW
275 TC650168SCHEIBE
276 TC590574STARTERGRIFF
277 TC35392STARTER PLUG
300 TC640084BVergaser
301 TC590787STARTER
303 TC33290EELEKTROSTARTER
305 TC33683BUSE 33683C
Rasen
Bankeinzug, MasterCard, Visa, American Express, PayPal, Nachnahme, Vorauskasse, Sofortüberweisung
Datenschutzerklärung Impressum
Qualitätsmanagement
Informieren Sie uns, wenn Sie einen Fehler gefunden haben.